Curiosii for ever!
: Car repair manuals for everyone.
Home
>>
Chevy Truck
>>
2007
>>
Express 2500 V8-4.8L
>>
Repair and Diagnosis
>>
Diagrams
>>
Electrical Diagrams
>>
Windows
Windows
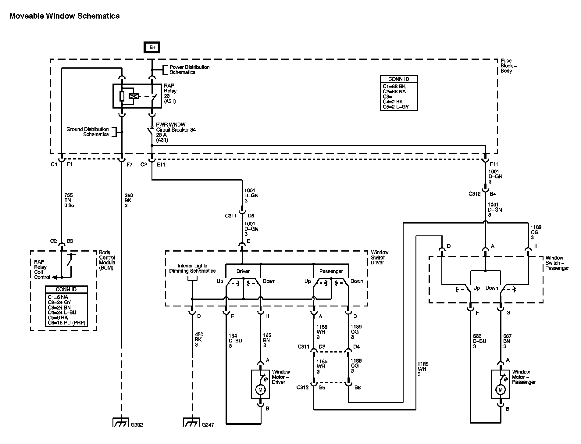
Moveable Window Diagram:
Locations:
The locations for the Connectors, Grounds, Splices, and Grommets shown within these diagrams can be found via their numbers at Vehicle Locations.
Locations