Curiosii for ever!: Car repair manuals for everyone.

Transmission Control Systems



Automatic Transmission Controls Schematics

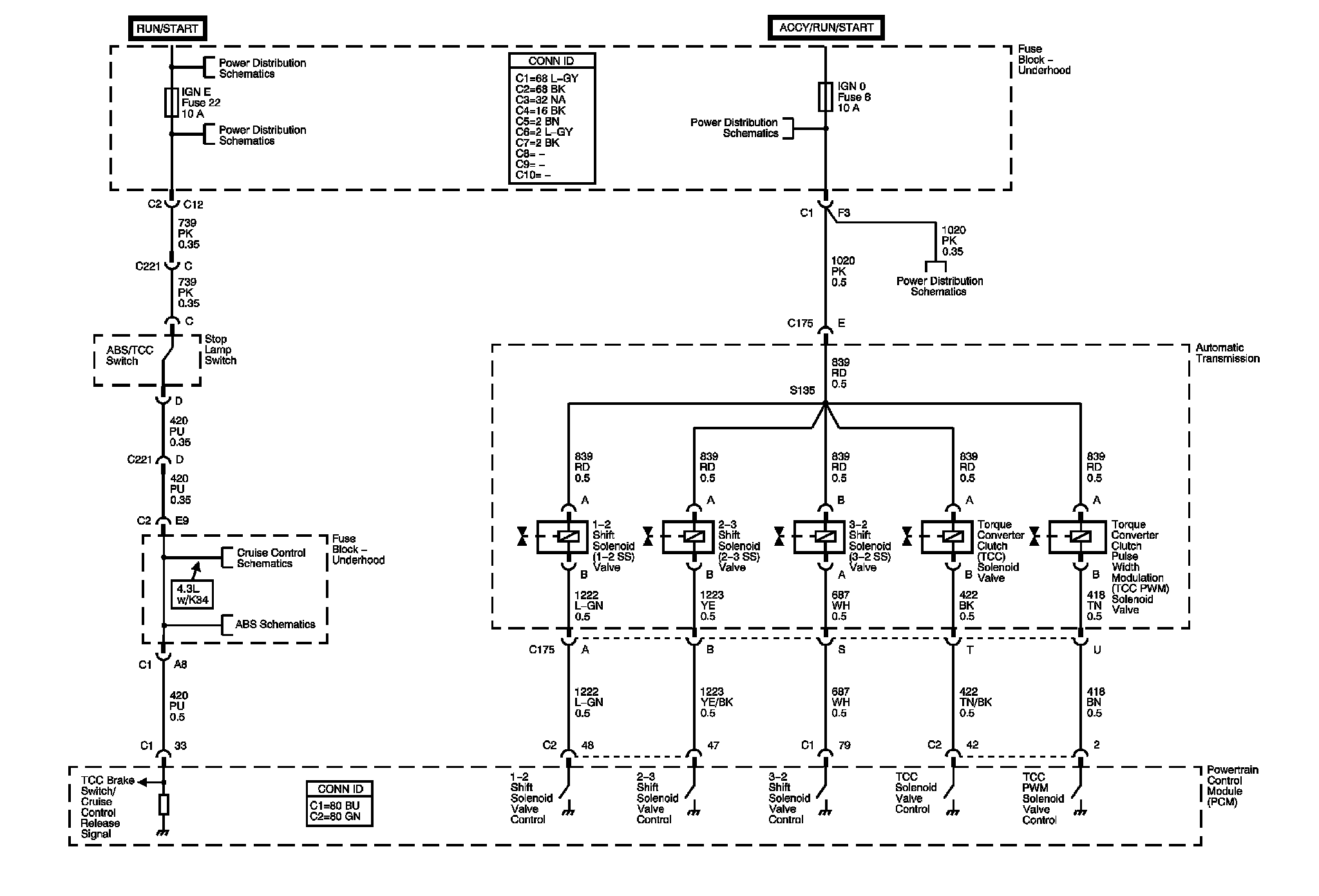
Automatic Transmission Controls Schematics 1:




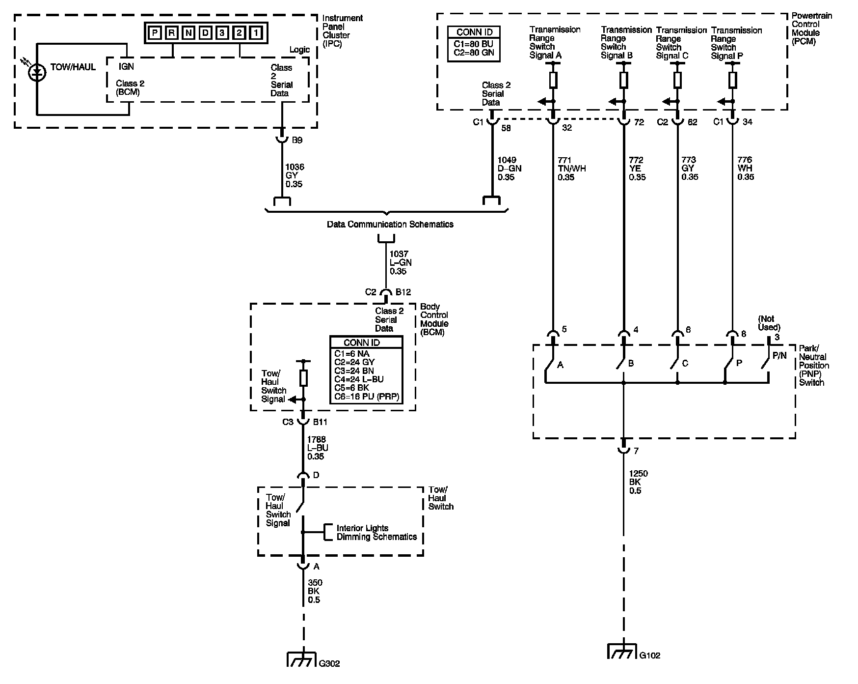
Automatic Transmission Controls Schematics 2:




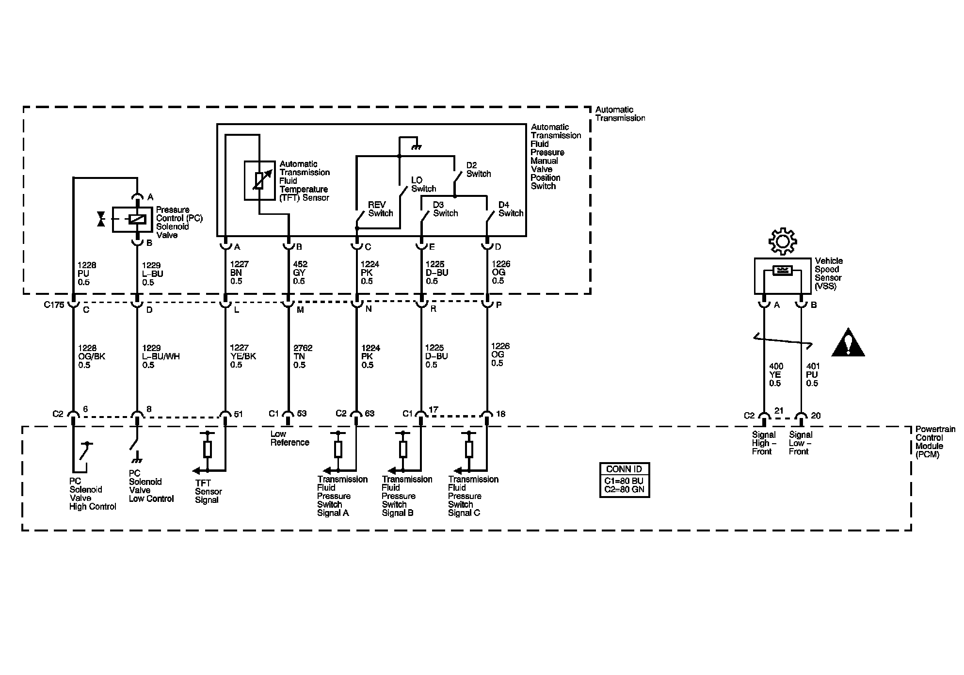
Automatic Transmission Controls Schematics 3:





Locations: The locations for the Connectors, Grounds, Splices, and Grommets shown within these diagrams can be found via their numbers at Vehicle Locations. Locations