Curiosii for ever!: Car repair manuals for everyone.

Transmission Support Crossmember Replacement


Transmission Support Crossmember Replacement


Removal Procedure





1.Raise the vehicle. Refer to Lifting and Jacking the Vehicle .

2.Support the transmission with a safety stand.

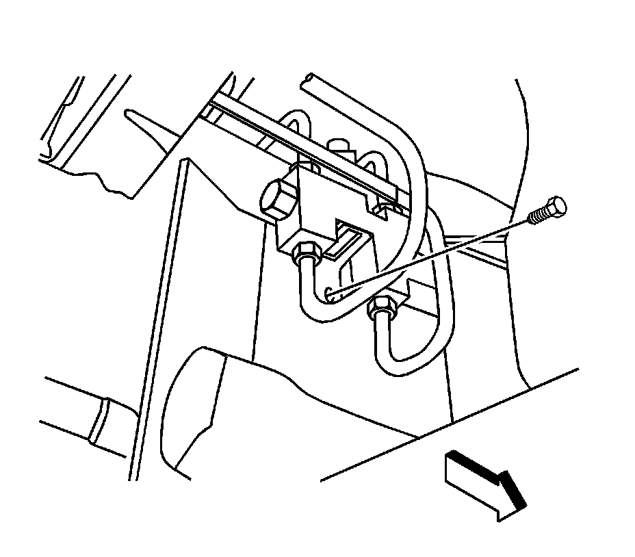
3.Remove the brake combination valve to transmission support crossmember mounting bolt.





1.Remove the fuel filter bracket to transmission support crossmember retaining bolts.





1.Remove the transmission mount to the transmission support crossmember retaining nut, for RWD vehicles.





1.Remove the transmission mount to the transmission support crossmember retaining nuts, for 4WD vehicles.





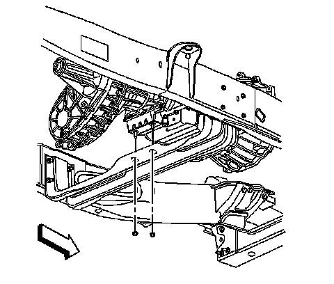
1.Remove the transmission support crossmember to the frame mounting bolts.

2.Remove the transmission support crossmember from the vehicle.

Installation Procedure





1.Install the transmission support crossmember to the vehicle.

Notice:Refer to Fastener Notice .

2.Install the transmission support crossmember to the frame mounting bolts.

Tighten
-Tighten the bolts to 50 N �m (37 lb ft), except Cutaway.

-Tighten the bolts to 65 N �m (48 lb ft), Cutaway.





1.Install the transmission mount to the transmission support crossmember retaining nuts, for 4WD vehicles.

TightenTighten the nuts to 60 N �m (44 lb ft).





1.Install the transmission mount to the transmission support crossmember retaining nut, for RWD vehicles.

TightenTighten the nut to 60 N �m (44 lb ft).





1.Install the fuel filter bracket to transmission support crossmember retaining bolts.

TightenTighten the bolts to 30 N �m (22 lb ft).





1.Install the brake combination valve to transmission support crossmember mounting bolt.

TightenTighten the bolt to 10 N �m (89 lb in).

2.Remove the safety stands.

3.Lower the vehicle.