Curiosii for ever!: Car repair manuals for everyone.

Air Injection Pump: Service and Repair



Secondary Air Injection Pump Replacement

Removal Procedure




1. Open the hood.
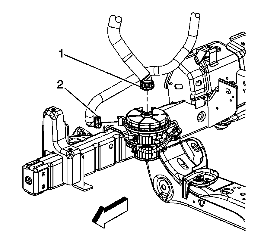
2. From under the hood, disconnect the secondary air injection (AIR) pump inlet hose quick connect fitting (1) from the pump. Refer to Plastic Collar Quick Connect Fitting Service.
3. Disconnect the AIR pump outlet hose quick connect fitting (2) from the pump.
4. Remove the engine shield.




5. Disconnect the engine wiring harness electrical connector from the AIR pump wiring harness electrical connector.




6. Squeeze the AIR pump wiring harness electrical connector clip (1) together and push up in order to separate the clip/connector from the bracket.
7. Open the AIR pump wiring harness clip (2) and remove the harness from the clip.




8. Remove the AIR pump nuts (1).
9. Lower the vehicle.
10. Reposition the AIR pump inlet and outlet hoses as necessary in order to remove the pump.
11. Remove the AIR pump.

Installation Procedure




1. Install the AIR pump.
2. Raise and suitably support the vehicle. Refer to Vehicle Lifting.

Notice: Refer to Fastener Notice.

3. Install the AIR pump nuts (1).

Tighten the nuts to 9 N.m (80 lb in).




4. Install the AIR pump wiring harness electrical connector clip (1) to the bracket.
5. Install the AIR pump wiring harness to the clip (2) and close the clip.




6. Connect the engine wiring harness electrical connector to the AIR pump wiring harness electrical connector.
7. Install the engine shield.




8. Position the AIR pump inlet and outlet hoses as necessary.
9. Connect the AIR pump outlet hose quick connect fitting (2) to the pump.
10. Connect the AIR pump inlet hose quick connect fitting (1) to the pump.
11. Close the hood.