Curiosii for ever!: Car repair manuals for everyone.

Windows



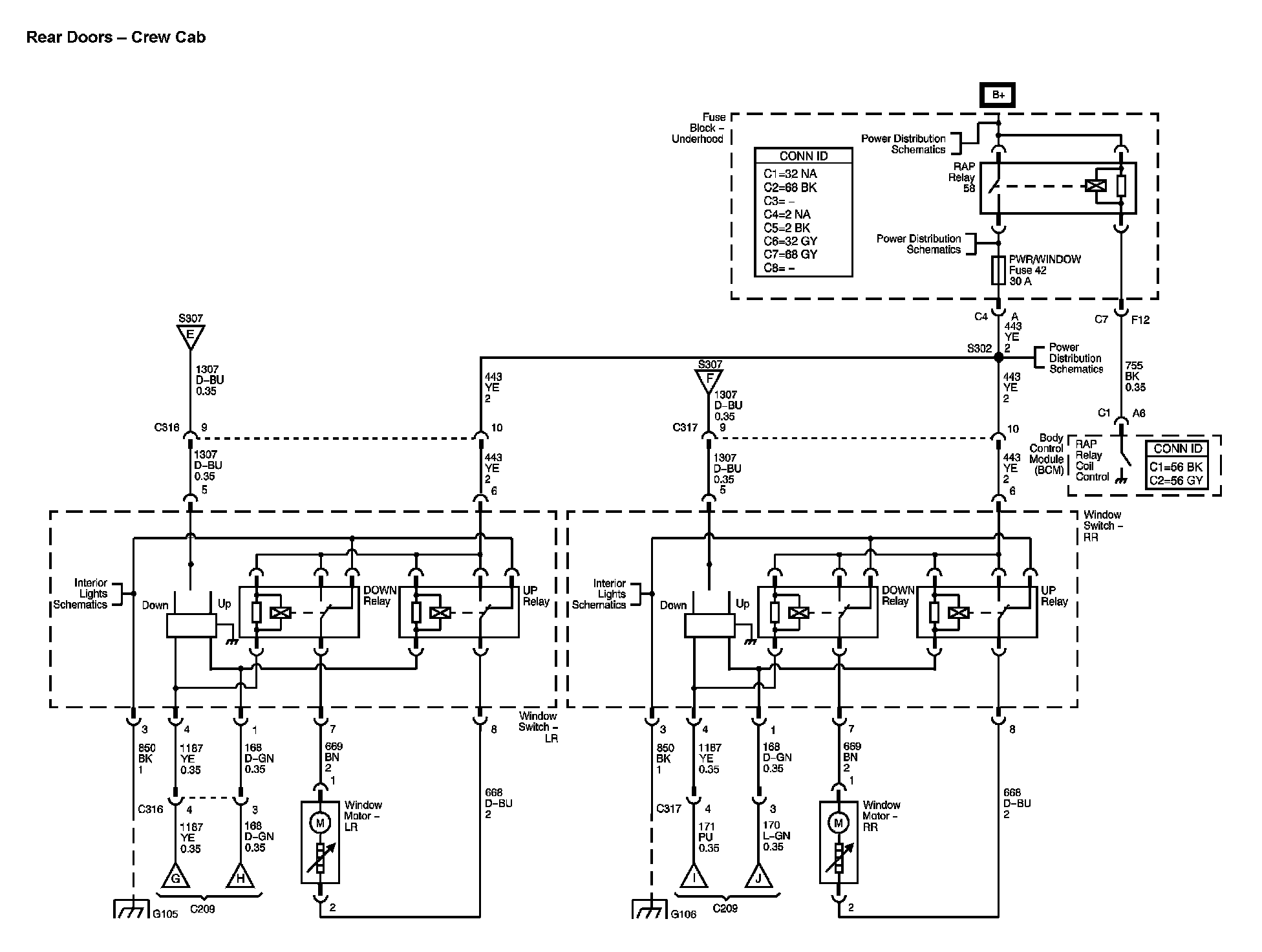
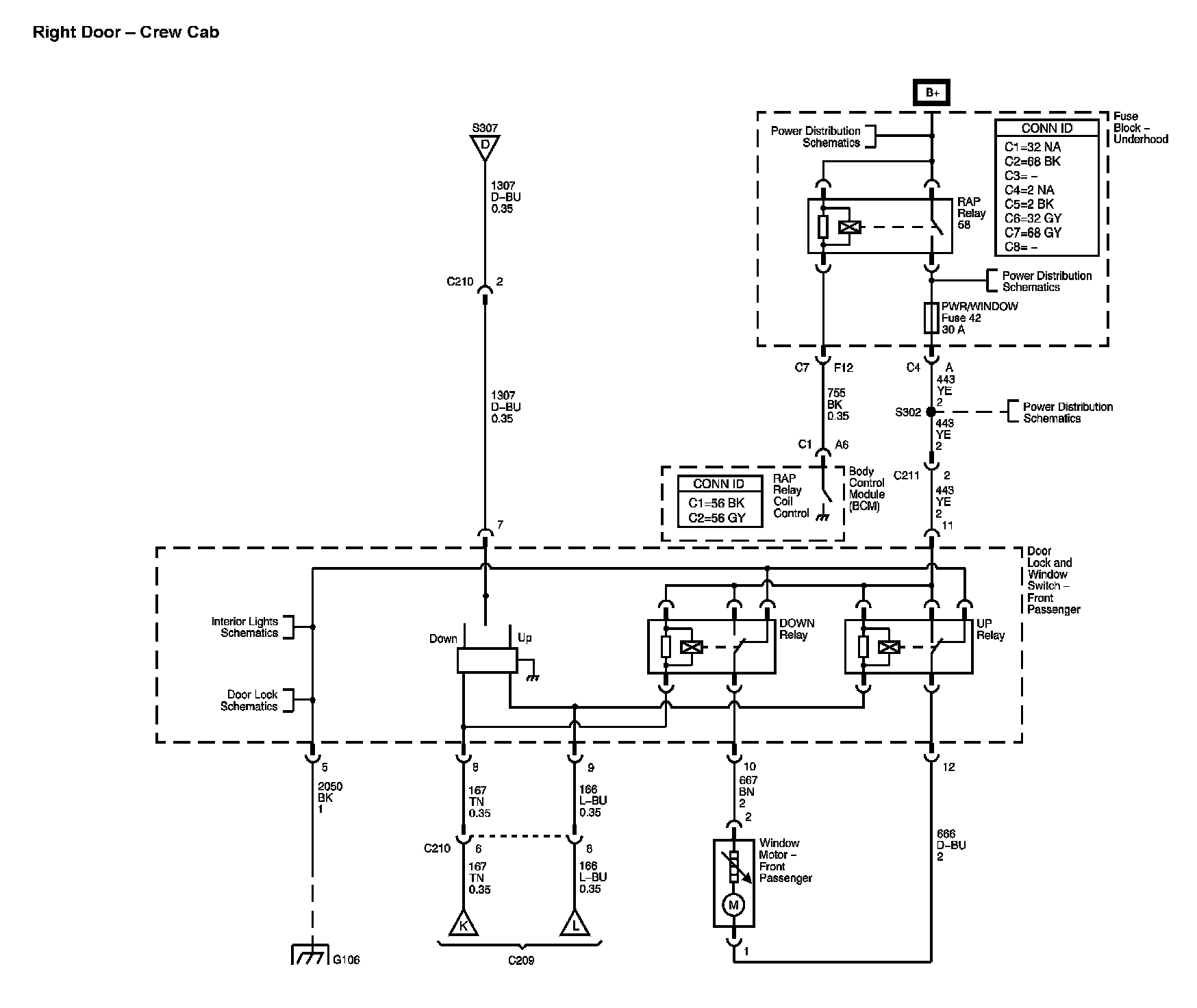
Moveable Window Diagram 1:




Moveable Window Diagram 2:




Moveable Window Diagram 3:




Moveable Window Diagram 4:




Moveable Window Diagram 5:






Locations: The locations for the Connectors, Grounds, Splices, and Grommets shown within these diagrams can be found via their numbers at Vehicle Locations. Locations