Curiosii for ever!: Car repair manuals for everyone.

Electrical Diagrams



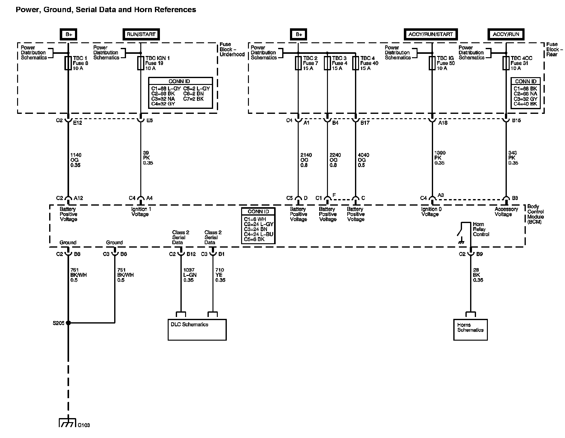
Body Control System Diagram 1:




Body Control System Diagram 2:




Body Control System Diagram 3:






Location: The locations for the Connectors, Grounds, Splices, and Grommets shown within these diagrams can be found via their numbers at vehicle locations. Locations