Curiosii for ever!: Car repair manuals for everyone.

Manifold Pressure/Vacuum Sensor: Service and Repair



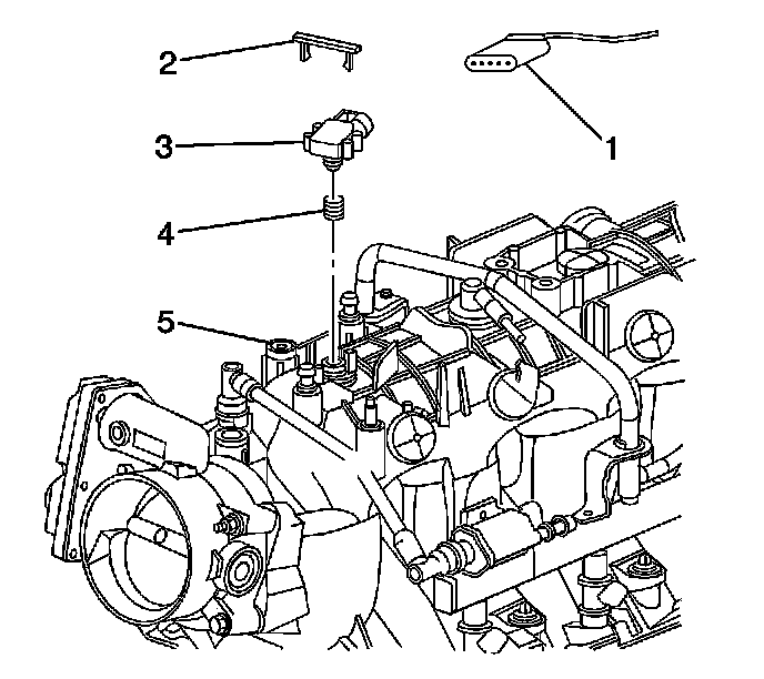
MANIFOLD ABSOLUTE PRESSURE (MAP) SENSOR REPLACEMENT

REMOVAL PROCEDURE




1. Remove the engine sight shield and mounting bracket.




2. Remove the electrical connector (1).
3. Remove the retaining clip (2) for the manifold absolute pressure (MAP) (3) sensor.
4. Remove the MAP sensor (3) and seal (4) from the intake manifold (5).

INSTALLATION PROCEDURE




1. Install the MAP sensor (3) and the seal (4) in the intake manifold (5).
2. Install the retaining clip (2) for the MAP sensor (3).
3. Install the electrical connector (1).




4. Install the engine sight shield and the mounting bracket.