Curiosii for ever!: Car repair manuals for everyone.

Electrical Diagrams



ENGINE CONTROLS SCHEMATICS

Power, Ground, MIL, and DLC







Engine Data Sensors - 5-Volt and Low Reference







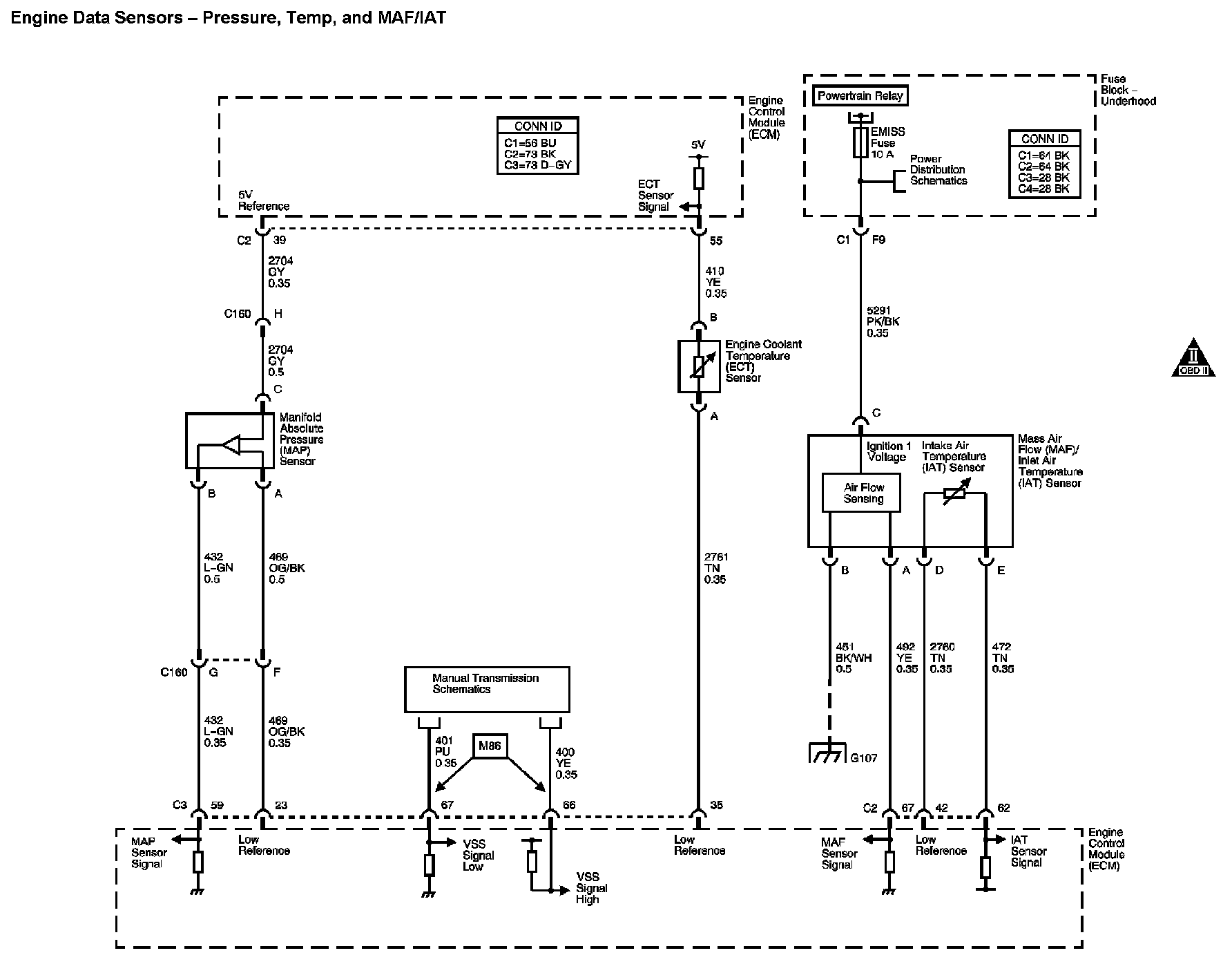
Engine Data Sensors - Pressure, Temp, and MAF/IAT







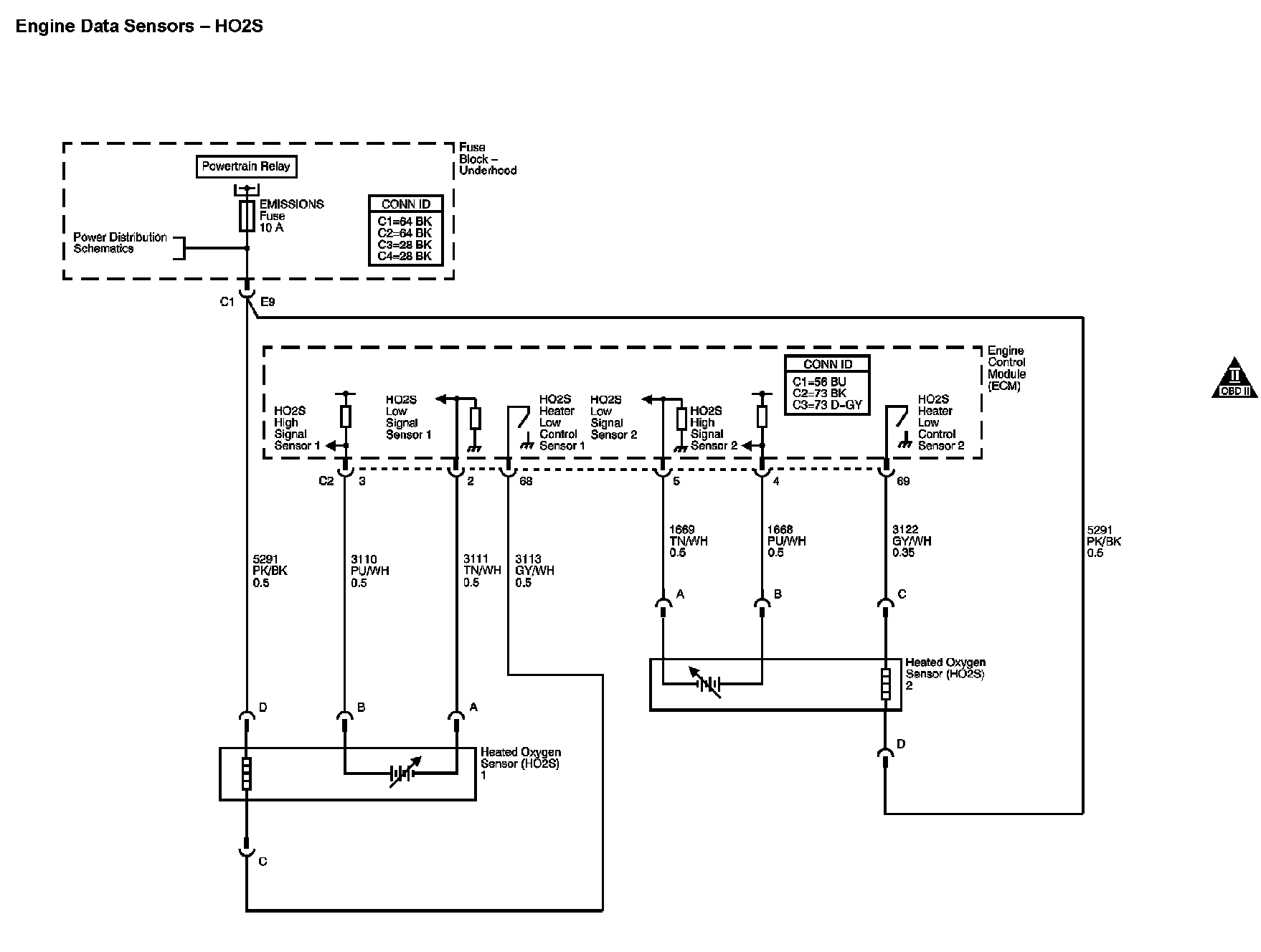
Engine Data Sensors - H2OS







Engine Data Sensors - APP and TAC







Ignition Controls - Ignition System







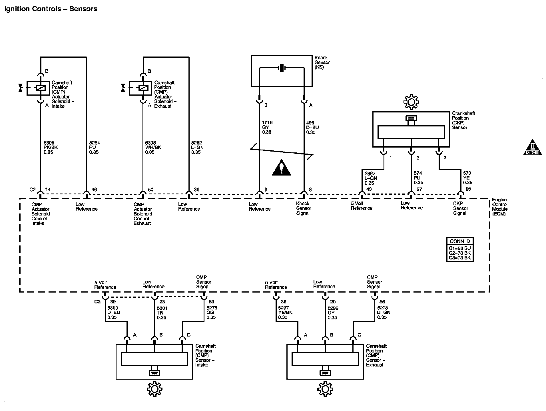
Ignition Controls - Sensors







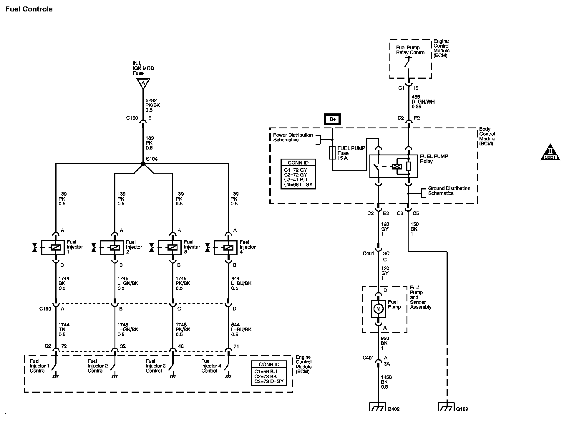
Fuel Controls







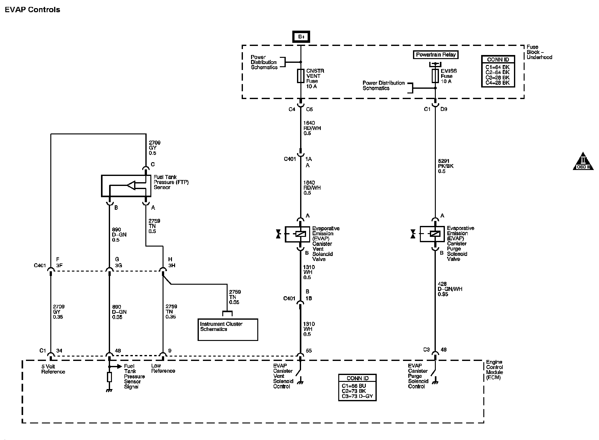
EVAP Controls







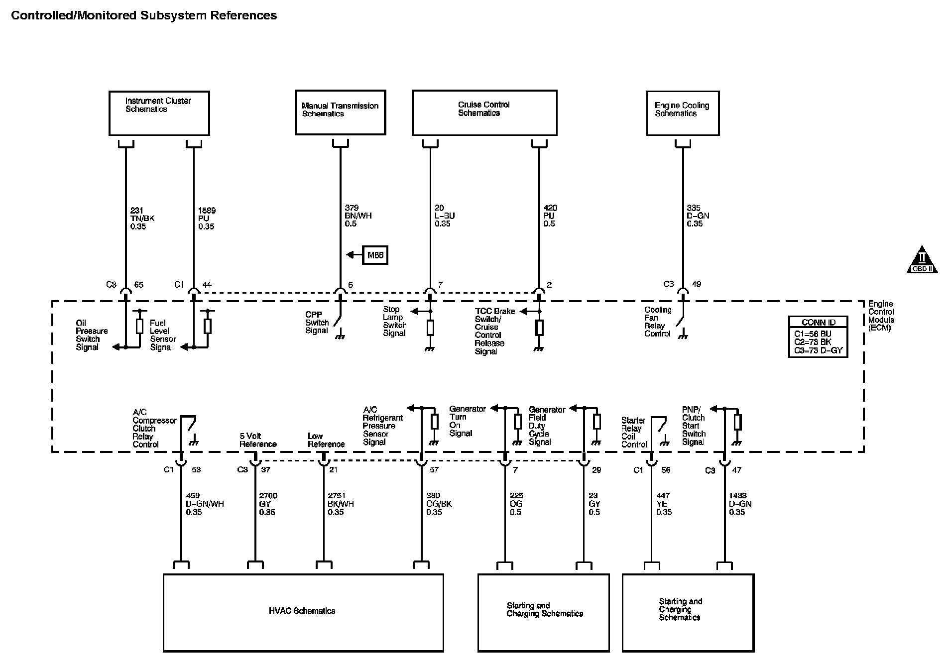
Controlled/Monitored Subsystem References







Locations: The locations for the Connectors, Grounds, Splices, and Grommets shown within these diagrams can be found via their numbers at Vehicle Locations. Locations