Curiosii for ever!
: Car repair manuals for everyone.
Home
>>
Chevy Truck
>>
2006
>>
HHR L4-2.2L
>>
Repair and Diagnosis
>>
Diagrams
>>
Electrical Diagrams
>>
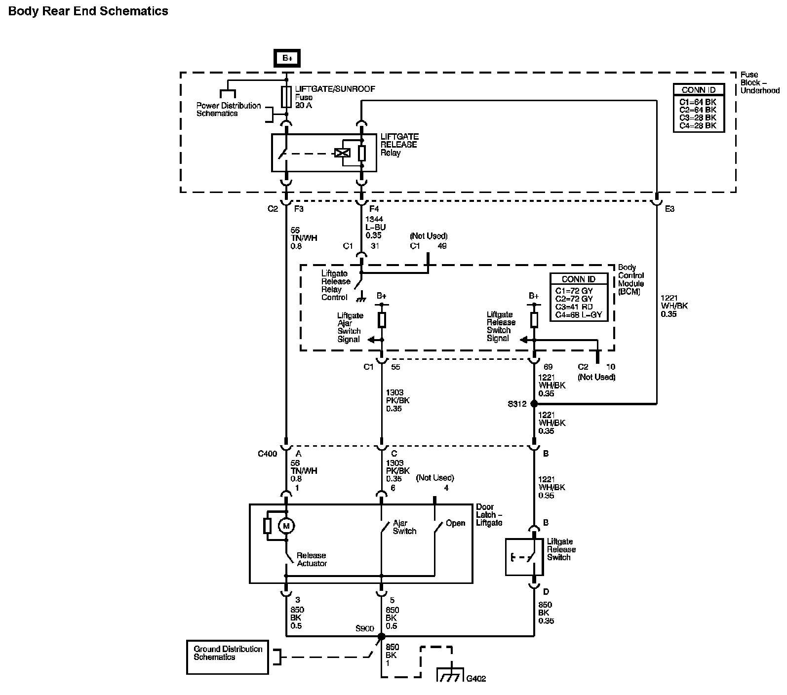
Trunk / Liftgate
Trunk / Liftgate
Body Rear End Diagram:
Locations:
The locations for the Connectors, Grounds, Splices, and Grommets shown within these diagrams can be found via their numbers at Vehicle Locations.
Locations