Curiosii for ever!
: Car repair manuals for everyone.
Home
>>
Chevy Truck
>>
2006
>>
Colorado 2WD L5-3.5L VIN 6
>>
Repair and Diagnosis
>>
Starting and Charging
>>
Power and Ground Distribution
>>
Locations
>>
I/P View
I/P View
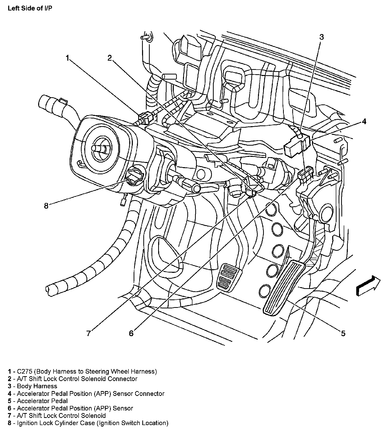
Left Side Of I/P: