Curiosii for ever!: Car repair manuals for everyone.

Electronic Brake Control Module Replacement (W/JL4)



Electronic Brake Control Module Replacement (w/JL4)
Removal Procedure

Caution: Refer to Battery Disconnect Caution.

Important: After installation, calibrate the new electronic brake control module (EBCM) to the tire size that is appropriate to the vehicle.

1. Disconnect the negative battery cable.
2. Raise and suitably support the vehicle.





3. Important: The area around the electronic hydraulic control unit (EHCU) MUST be free from loose dirt to prevent contamination of disassembled ABS components.

Thoroughly wash all contaminants from around the EHCU.
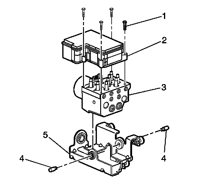
4. Remove the mounting screws (1) that fasten the EBCM (2) to the brake pressure modulator valve (BPMV) (3).





5. Remove the EBCM from the BPMV. Removal may require a light amount of force.
6. Remove the EBCM from the vehicle.
7. Clean the BPMV to EBCM mounting surfaces with a clean cloth.

Installation Procedure





1. Important:
^ Do not reuse the old mounting screws. Always install new mounting screws with the new EBCM.
^ Do not use RTV or any other type of sealant on the EBCM gasket or mating surfaces.

Install the EBCM to the BPMV.





2. Notice: Refer to Fastener Notice.

Install the new EBCM screws (1).
Tighten the screws to 5 Nm (39 inch lbs.) in an X-pattern.
3. Lower the vehicle.
4. Connect the negative battery cable.
5. If a new EBCM was installed, the EBCM must be programmed.
6. Turn the ignition to the ON position. DO NOT start the engine.
7. Perform the Diagnostic System Check - Vehicle. Testing and Inspection