Curiosii for ever!
: Car repair manuals for everyone.
Home
>>
Chevy Truck
>>
2005
>>
Venture AWD V6-3.4L VIN E
>>
Repair and Diagnosis
>>
Diagrams
>>
Electrical Diagrams
>>
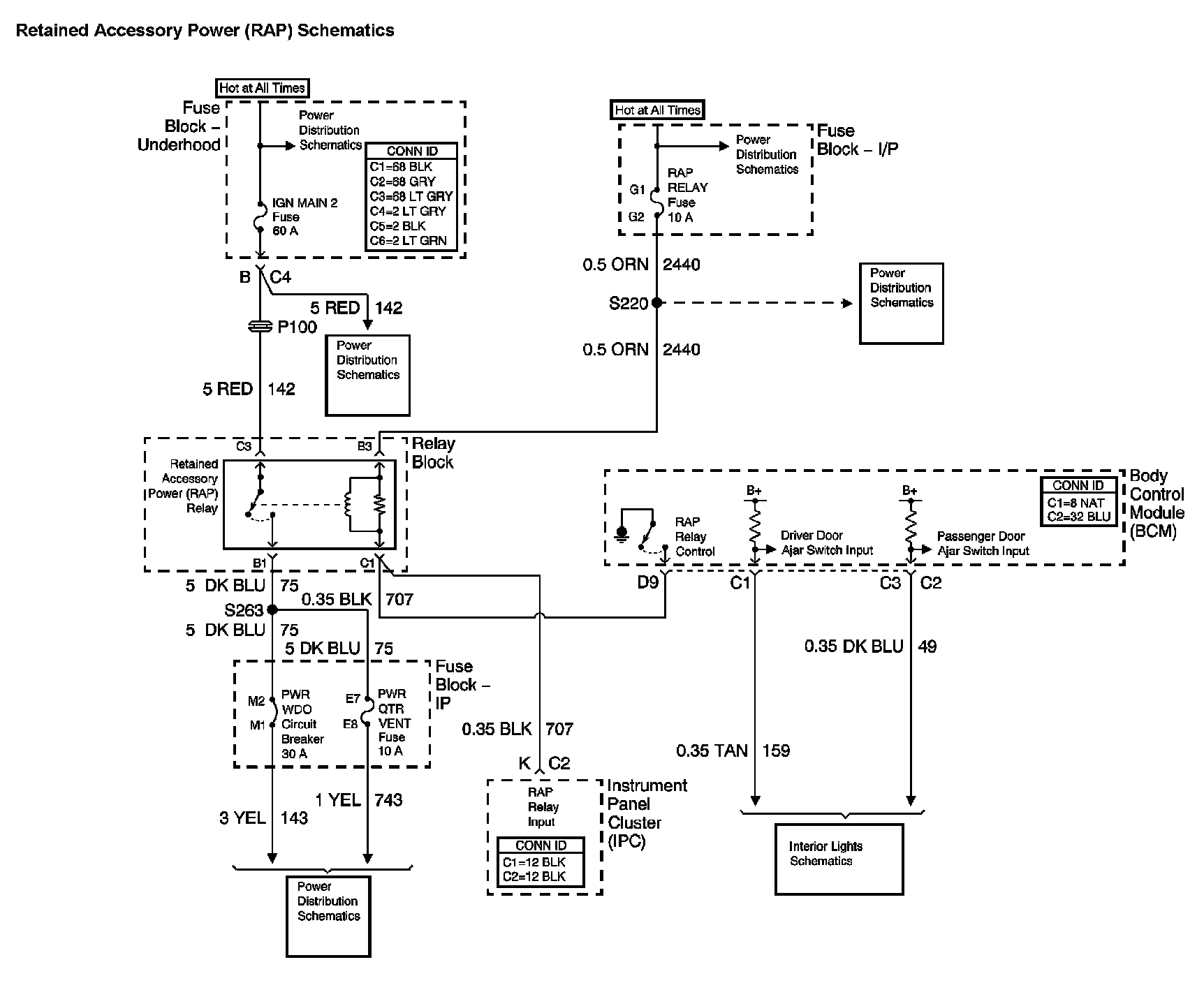
Accessory Delay Module
Accessory Delay Module
Retained Accessory Power (RAP) Diagram:
Location:
The locations for the Connectors, Grounds, Splices, and Grommets shown within these diagrams can be found via their at Vehicle Locations.
Locations