Curiosii for ever!: Car repair manuals for everyone.

Control Module: Locations



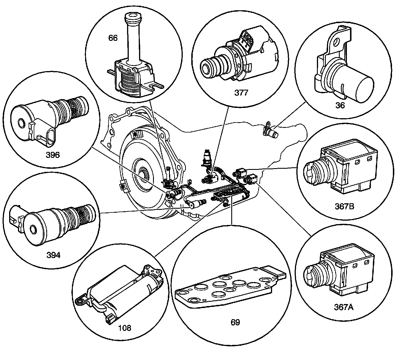
Automatic Transmission Electronic Component Views
Electronic Components

Electronic Components:





36 - Vehicle Speed Sensor (VSS) - Model Dependent
66 - Torque Converter Clutch (TCC) Solenoid Valve
69 - Automatic Transmission Fluid Pressure (TFP) Manual Valve Position Switch
108 - Secondary Fluid Pump Assembly - M33 Models Only
367a - 1-2 Shift Solenoid (SS) Valve
367b - 2-3 Shift Solenoid (SS) Valve
377 - Pressure Control (PC) Solenoid Valve
394 - 3-2 Shift Solenoid (SS) Valve Assembly
396 - Torque Converter Clutch Pulse Width Modulation (TCC PWM) Solenoid Valve

Park Neutral Position (PNP) Switch

Park Neutral Position (PNP) Switch:





1 - Automatic Transmission 4L60-E/4L65-E
2 - Park/Neutral Position (PNP) Switch

C175

C175:





1 - Automatic Transmission
2 - C175

Vehicle Speed Sensor (VSS)

Vehicle Speed Sensor (VSS):





1 - VSS Sensor
2 - Transfer Case

Transmission Control Module (TCM)

Transmission Control Module (TCM):





1 - Engine Harness
2 - Transmission Control Module (TCM)
3 - Transmission Control Module (TCM) Connector Harness