Curiosii for ever!: Car repair manuals for everyone.

Compressor Replacement (LM4)



COMPRESSOR REPLACEMENT (LM4)

TOOLS REQUIRED
J 39400-A Halogen Leak Detector

REMOVAL PROCEDURE
1. Recover the refrigerant. Refer to Refrigerant Recovery and Recharging.
2. Remove the washer solvent container.
3. Remove the air cleaner resonator outlet duct.
4. Remove the cooling fan and shroud.
5. Release the tension on the air conditioning drive belt.
6. Reposition the air conditioning drive belt from the compressor pulley.
7. Remove the compressor hose assembly nut from the compressor.
8. Remove the compressor hose assembly from the compressor.




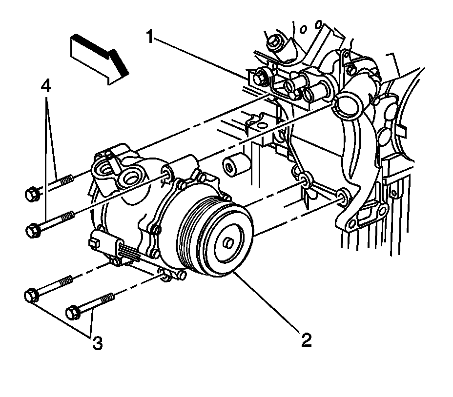
9. Remove the upper A/C compressor mounting bracket bolts.
10. Remove the lower coolant hose.
11. Raise the vehicle. Refer to Lifting and Jacking the Vehicle in General Information.
12. Disconnect the electrical connection from the compressor.
13. Turn the right tire to gain access to the remaining compressor mounting bolts.
14. Remove the lower A/C compressor mounting bracket bolts (3).
15. Lower the vehicle.
16. Reposition the compressor and mounting bracket to access the remaining compressor to bracket bolts.
17. Remove the upper A/C compressor mounting bolts (4).
18. Remove the A/C compressor.
19. Remove the A/C compressor bracket.
20. If replacing the A/C compressor. Refer to Compressor Oil Balancing.

INSTALLATION PROCEDURE
1. Add the proper amount of polyalkylene glycol (PAG) oil to the compressor crankcase. Refer to Compressor Oil Balancing.
2. Position the A/C compressor mounting bracket partially into the vehicle.
3. Position the A/C compressor partially into the vehicle.
4. Install the upper compressor mounting bolts into the compressor mounting bracket.

Tighten the upper rear bolts to 50 N.m (37 lb ft).

NOTE: Refer to Fastener Notice in Service Precautions.




5. Install the upper compressor mounting bolts (4) into the compressor and bracket assembly.
6. Position the compressor and bracket assembly into the correct location on the engine.
7. Tighten the upper compressor mounting bolts (4).

Tighten the bolts to 50 N.m (37 lb ft).

8. Raise the vehicle
9. Start the lower compressor mounting bolts (3).

Tighten the bolts to 50 N.m (37 lb ft).

10. Connect the electrical connector to the A/C compressor.
11. Raise the vehicle.
12. Install the lower coolant hose.
13. Install the compressor hose assembly to the compressor.
14. Install the compressor hose assembly nut to the compressor.

Tighten the nut to 16 N.m (12 lb ft).

15. Install the accessory drive belt to the tensioner.
16. Install the cooling fan and shroud.
17. Install the air cleaner resonator outlet duct.
18. Install the washer solvent container.
19. Fill the cooling system. Refer to Draining and Filling Cooling System (LL8) Draining and Filling Cooling System (LM4) in Cooling System.
20. Evacuate and recharge the A/C system. Refer to Refrigerant Recovery and Recharging.
21. Leak test the fittings of the component using the J 39400-A.