Curiosii for ever!: Car repair manuals for everyone.

Electronic Brake Control Module: Locations



ABS Component Views

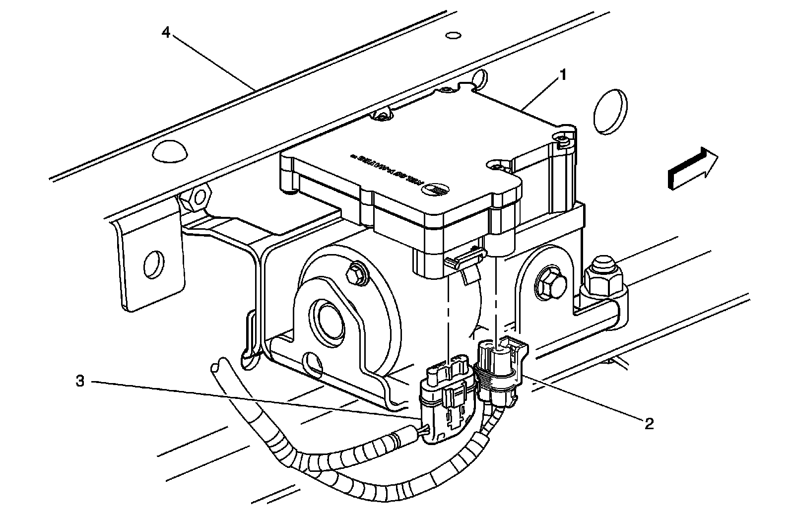
Left Side Frame Rail - w/o JL4

Electronic Brake Control Module (EBCM):





1 - Electronic Brake Control Module (EBCM)
2 - Electronic Brake Control Module (EBCM) Electrical Connector - C1

3 - Electronic Brake Control Module (EBCM) Electrical Connector - C2
4 - Frame

Left Side of Frame Rail - w/JL4

Left Side of Frame Rail - w/JL4:





1 - Electronic Brake Control Module (EBCM) - w/JL4
2 - Left Side Frame Rail