Curiosii for ever!: Car repair manuals for everyone.

NVG 246-NP8 Transfer Case



Transfer Case Control Component Views

Transfer Case Shift Control Module

In The Left Side Of The I/P Behind The Headlamp Switch:





1 - I/P Harness
2 - Transfer Case Shift Control Module Connectors
3 - Transfer Case Shift Control Module
4 - Instrument Panel

Transfer Case Shift Control Switch

Transfer Case Shift Control Switch:





1 - Transfer Case Shift Control Switch
2 - Instrument Panel Switch and Deflector Housing

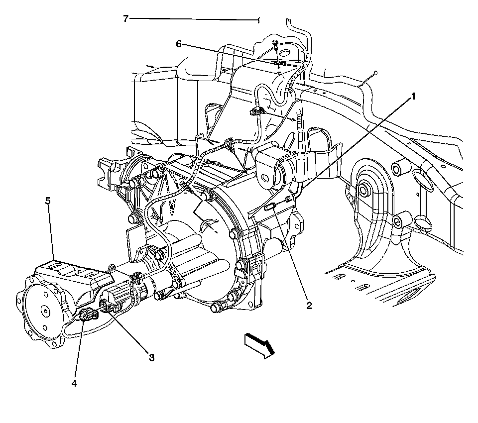
Transfer Case (NVG 236/246 NP8)

Transfer Case (NVG 236/246 NP8):





1 - Engine Harness
2 - C350 Transfer Case Harness to Engine Harness
3 - Transfer Case Encoder Motor
4 - Vehicle Speed Sensor (VSS)
5 - Propshaft Speed Sensor-Rear
6 - Transfer Case Harness
7 - Propshaft Speed Sensor-Front

Front Drive Axle Harness Routing (K25 Series)

Front Drive Axle Harness Routing (K25 Series):





1 - Ground 110 (G110)
2 - Vent Tube
3 - Vent Tube Connection
4 - Front Axle Actuator
5 - Front Axle Actuator Connector
6 - Left Inner Fender

Front Drive Axle Harness Routing (K15 Series)

Front Drive Axle Harness Routing (K15 Series):





1 - Vent Tube
2 - Vent Tube Connection
3 - Front Axle Actuator
4 - Front Axle Actuator Connector
5 - Front Drive Axle Assembly (Mount)
6 - Ground 110 (G110)
7 - Left Inner Fender