Electrical Diagrams
Body Control System Diagram 1:
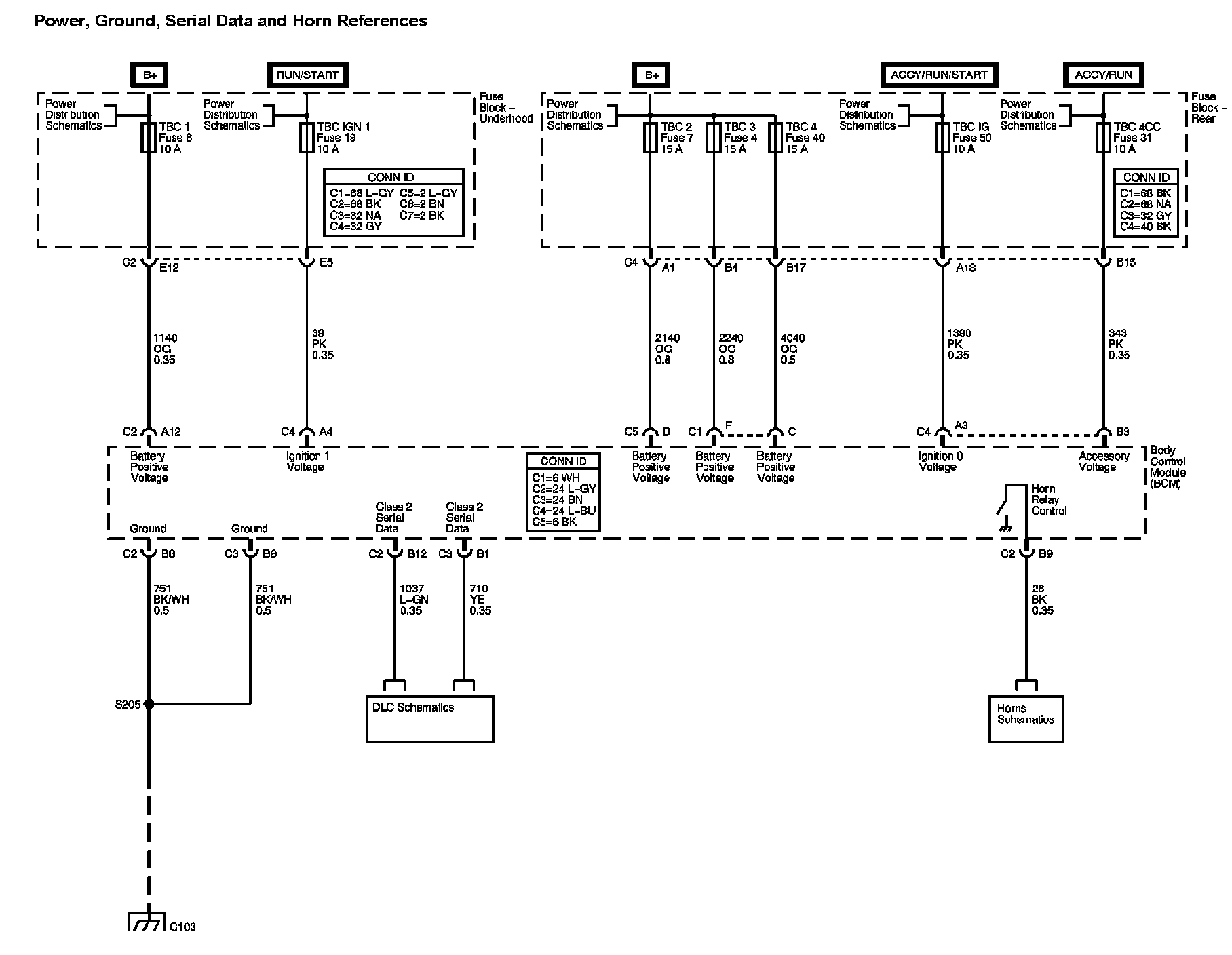
Body Control System Diagram 2:
Body Control System Diagram 3:
Location: The locations for the Connectors, Grounds, Splices, and Grommets shown within these diagrams can be found via their numbers at vehicle locations. Locations