Curiosii for ever!: Car repair manuals for everyone.

Crankshaft Position Sensor: Service and Repair



CRANKSHAFT POSITION (CKP) SENSOR REPLACEMENT

REMOVAL PROCEDURE

CAUTION: Before servicing any electrical component, the ignition key must be in the OFF or LOCK position and all electrical loads must be OFF, unless instructed otherwise in these procedures. If a tool or equipment could easily come in contact with a live exposed electrical terminal, also disconnect the negative battery cable. Failure to follow these precautions may cause personal injury and/or damage to the vehicle or its components.

IMPORTANT: Perform the CKP System Variation Learn Procedure when the CKP sensor is removed or replaced.




1. Refer to Battery Disconnect Caution in Service Precautions. Disconnect the negative battery cable.
2. Raise the vehicle. Refer to Vehicle Lifting.
3. Remove the starter.




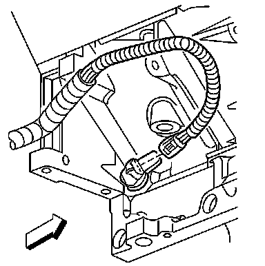
4. Disconnect the crankshaft position (CKP) sensor electrical connector.




5. Clean the area around the CKP sensor before removal in order to avoid debris from entering the engine.
6. Remove the CKP sensor retaining fastener.
7. Remove the CKP sensor.

INSTALLATION PROCEDURE
1. Install the CKP sensor.

NOTE: Refer to Fastener Notice in Service Precautions.




2. Install the CKP sensor retaining fastener.

Tighten the fastener to 25 N.m (18 lb ft).




3. Connect the CKP sensor electrical connector.




4. Install the starter.
5. Lower the vehicle.
6. Connect the negative battery cable.
7. Perform the CKP system variation learn procedure. Programming and Relearning