Curiosii for ever!: Car repair manuals for everyone.

Control Module: Service and Repair



Transaxle Control Module Replacement
Removal Procedure
1. Disconnect the negative battery cable.





2. Remove the TCM from TCM bracket.





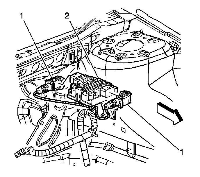
3. Disconnect the transaxle control module (TCM) electrical connectors (1) from the TCM (2).

Installation Procedure





1. Connect the TCM electrical connector (1) to the TCM (2).





2. Install the TCM to the TCM bracket.
3. Connect the negative battery cable.

4. Important: DTC P0602 is set with all new service transaxle control modules. When the transaxle control module is reprogrammed with the correct software and calibrations, DTC P0602 will be erased.

Reprogram the TCM with the correct calibration. Programming and Relearning
5. Perform the transmission adaptive learn procedure.