Curiosii for ever!: Car repair manuals for everyone.

Transaxle Range Switch Replacement



Transaxle Range Switch Replacement

^ Tools Required
- J 45404 Transmission Indicator Alignment Tool

Removal Procedure
1. Remove the battery tray.

2. Important: The transaxle manual shaft must be in neutral (N) position prior to re-installing the switch.

Apply the parking brake and place control shift lever in neutral (N).
3. Remove the transaxle range switch lever.





4. Disconnect the electrical connectors (3, 5) from the transaxle range switch.





5. Using a screwdriver, bend the lockwasher tabs down away from the manual shaft nut.





6. Remove the nut, lock tab washer, and flat washer.





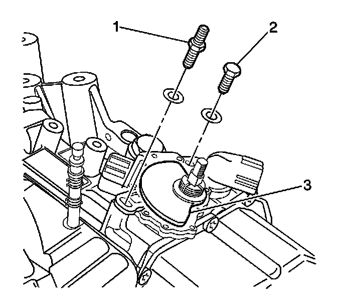
7. Remove the transaxle range switch bolt (2), stud (1), and flat washers.
8. Remove the transaxle range switch (3).

Installation Procedure





1. Install the transaxle range switch (3) to the manual shaft lever.
2. Install the washer stud (1) and the bolt (2). Hand tighten ONLY at this time.





3. Notice: Refer to Fastener Notice in Service Precautions.

Install the flat washer, lock tab washer, and nut.
^ Tighten the nut to 7 Nm (62 inch lbs.).
4. Ensure the manual shaft is in neutral (N) position.





5. Bend the lock washer tabs up to secure the nut.





6. Install the J 45404 to the manual shaft and rotate the transaxle range switch until the neutral base line on the switch lines up with the indicator line on the J 45404 .
7. Tighten the transaxle range switch bolt and stud.
^ Tighten the bolt and stud to 25 Nm (18 ft. lbs.).
8. Remove the J 45404 from the manual shaft.





9. Connect the electrical connectors (3, 5) to the transaxle range switch.
10. Install the transaxle range switch lever.
11. Install the battery tray.
12. After installing and adjusting the switch, verify the engine only starts in park (P) or neutral (N). If the engine starts in any other position, readjust the switch.