Curiosii for ever!: Car repair manuals for everyone.

Steering Column - Standard


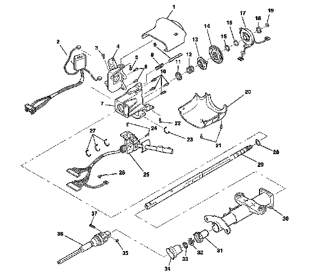
Steering Column Disassembled View (Column Shift and Floor Shift Standard)

Standard Column Shift





1 - Shift Lever Assembly
2 - Shift Lever Screw
3 - Shift Lever Seal
4 - Upper Trim Cover
5 - Ignition Switch Assembly
6 - Pan Head Tapping Screw
7 - Ignition Lock Cylinder Case
8 - TORX Head Screw
9 - Pan Head Tapping Screws
10 - Steering Column Housing Assembly
11 - Lock Bolt Spring
12 - Lock Bolt Assembly
13 - TORX Head Screws
14 - Thrust Washer
15 - Upper Bearing Spring
16 - Turn Signal Cancel Cam Assembly
17 - Shaft Lock Shield Assembly
18 - Bearing Retainer
19 - Wave Washer
20 - Restraints Coil
21 - Retaining Ring
22 - Flanged Prevailing Torque Nut
23 - Lower Trim Cover
24 - Pan Head Tapping Screws
25 - TORX Head Screw
26 - Wire Harness Strap
27 - Pan Head Tapping Screws
28 - Turn Signal and Multifunction Switch Assembly
29 - Axial Position Assurance Connector
30 - Wire Harness Straps
31 - Linear Shift Assembly
32 - Park Lock Cable Assembly
33 - Hexagon Flange Head Bolt
34 - Cam Bushing
35 - Cable Shift Cam Assembly
36 - Cam Bushing
37 - Oval Head 6-Lobed Socket Tapping Screws
38 - Shift Lever Gate
39 - Flat Head Tapping Screws
40 - Park Position Switch Assembly
41 - Actuator Bushing
42 - Shift Lever Clevis
43 - Gear Shift Lever Assembly Support Bracket Assembly
44 - Actuator Bushing
45 - Ball and Actuator Assembly
46 - Hex Flange Head Bolt
47 - Retaining Ring
48 - Steering Shaft Assembly
49 - Steering Column Jacket Assembly
50 - Adapter and Bearing Assembly
51 - Shaft Seal Retainer
52 - Steering Shaft Seal
53 - Inner Boot Seal
54 - Large Flange Hexagon Nut
55 - Coupling and Steering Shaft Assembly
56 - Round Head Locking Bolt
57 - Electrical (BTSI) Actuator


Standard Floor Shift Column





1 - Upper Trim Cover
2 - Ignition Switch Assembly
3 - Pan Head Tapping Screw
4 - Ignition Lock Cylinder Case
5 - TORX Head Screw
6 - Pan Head Tapping Screws
7 - Steering Column Housing Assembly
8 - Lock Bolt Spring
9 - Lock Bolt Assembly
10 - TORX Head Screws
11 - Thrust Washer
12 - Upper Bearing Spring
13 - Turn Signal Cancel Cam Assembly
14 - Shaft Lock Shield Assembly
15 - Bearing Retainer
16 - Wave Washer
17 - Restraints Coil
18 - Retaining Ring
19 - Flanged Prevailing Torque Nut
20 - Lower Trim Cover
21 - Pan Head Tapping Screws
22 - TORX Head Screw
23 - Wire Harness Strap
24 - Pan Head Tapping Screws
25 - Turn Signal and Multifunction Switch Assembly
26 - Axial Position Assurance Connector
27 - Wire Harness Straps
28 - Bearing Retainer
29 - Steering Shaft Assembly
30 - Steering Column Jacket Assembly
31 - Adapter and Bearing Assembly
32 - Shaft Seal Retainer
33 - Steering Shaft Seal
34 - Inner Boot Seal
35 - Large Flange Hexagon Nut
36 - Coupling and Steering Shaft Assembly
37 - Round Head Locking Bolt