Curiosii for ever!
: Car repair manuals for everyone.
Home
>>
Chevy Truck
>>
2004
>>
Venture AWD V6-3.4L VIN E
>>
Repair and Diagnosis
>>
Powertrain Management
>>
Locations
>>
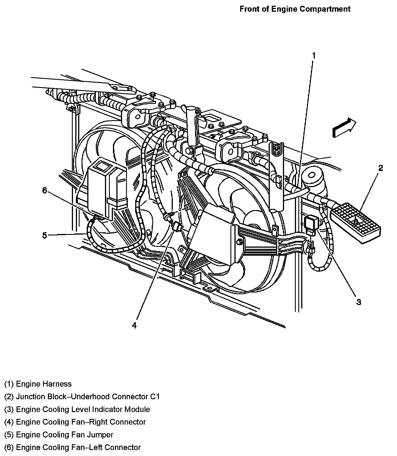
Front of Engine Compartment
Front of Engine Compartment
Front Of Engine Compartment: