Curiosii for ever!: Car repair manuals for everyone.

Cross-Member: Service and Repair

Crossmember Replacement

Removal Procedure
1. Raise and support the vehicle.
2. Remove the tire and the wheel.
3. Support rear differential carrier using utility stand.






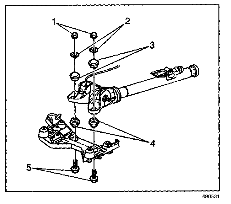
4. Remove the rear differential carrier mounting bolts (5) from the rear crossmember.






5. Remove the rear suspension knuckle.
6. Disconnect the wheel speed sensor harness from the lower control arm and from the rear crossmember.
7. Remove the rivets that attach the park brake cable to the rear crossmember.
8. Remove the ALC height sensor and link.
9. Remove the ALC ball stud.
10. Secure the ALC wiring harness out of the way.
11. Using a utility jack, support the rear crossmember.
12. Scribe the rear crossmember mounting points to the frame.
13. Remove the rear crossmember mounting bolts.
14. Lower the rear crossmember.
15. Remove the rear stabilizer shaft.
16. Remove the rear axle upper control arms from the rear crossmember.
17. Remove the rear axle lower control arms from the rear crossmember.
18. Remove the tie rods from the rear crossmember.

Installation Procedure






1. Install the tie rods to the crossmember.
2. Install the rear axle lower control arms onto the rear crossmember.
3. Install the rear axle upper control arms onto the rear crossmember.
4. Install the rear stabilizer shaft onto the rear crossmember.
5. Raise the rear crossmember, and align the rear crossmember with the scribe marks on the frame.






6. Install the rear crossmember mounting bolts.

Notice: Refer to Fastener Notice in Service Precautions.

7. Tighten the mounting bolts.
^ Tighten the rear crossmember mounting bolts to 130 Nm (96 lb ft).
8. Install the ALC height sensor onto the vehicle.
9. Install the ALC ball stud to the vehicle.
10. Install the rear differential carrier mounting bolts (5).
^ Tighten the rear differential carrier mounting bolts to 37 Nm (50 lb ft).
11. Attach the parking brake cable onto the rear crossmember.
12. Connect the wheel speed sensor harness onto the rear crossmember and the lower control arm.
13. Install the rear suspension knuckle.
14. Install the tire and the wheel.
15. Inspect the rear camber and toe angles and adjust as necessary.
16. Lower the vehicle.