Curiosii for ever!: Car repair manuals for everyone.

Knock Sensor: Service and Repair

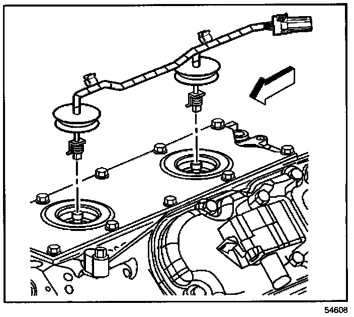
KNOCK SENSOR (KS) REPLACEMENT

REMOVAL PROCEDURE




1. Remove the intake manifold.
2. Gently pry up the rubber covers.
3. Disconnect the knock sensor electrical connectors.




4. Remove the knock sensors.

INSTALLATION PROCEDURE

NOTE: Refer to Component Fastener Tightening Notice in Service Precautions.




1. Install the knock sensors.

Tighten
Tighten the sensors to 20 N.m (15 lb ft).




2. Connect the knock sensor electrical connectors.
3. insure the rubber covers are securely in place.
4. Install the intake manifold.