Variable Valve Timing Solenoid: Service and Repair
CAMSHAFT POSITION (CMP) ACTUATOR SOLENOID VALVE REPLACEMENTREMOVAL PROCEDURE
1. Remove the drive belt.
2. Remove the 3 power steering pump bolts and move the pump out of the way.
3. Disconnect the camshaft position actuator solenoid electrical connector.
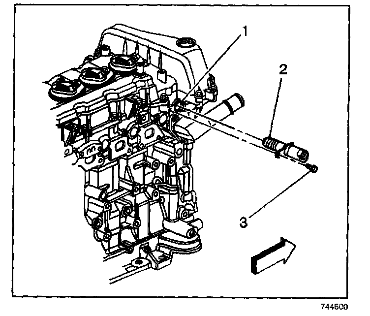
4. Remove the camshaft position actuator solenoid retaining bolt (3).
5. Remove the camshaft position actuator solenoid (2) from the engine block.
6. Clean debris from the hole (1).
INSTALLATION PROCEDURE
1. Install a new O-ring on the camshaft position actuator solenoid.
2. Lubricate the hole (1) with engine oil.
NOTE: Refer to Fastener Notice in Service Precautions.
3. Install the camshaft position actuator solenoid (2) and bolt (3).
Tighten
Tighten the bolt to 10 N.m (89 lb in).
4. Connect the camshaft position actuator solenoid electrical connector.
5. Install the power steering pump and bolts.
6. Install the drive belt.