Curiosii for ever!
: Car repair manuals for everyone.
Home
>>
Chevy Truck
>>
2004
>>
Tracker 2WD V6-2.5L VIN 1
>>
Repair and Diagnosis
>>
Powertrain Management
>>
Diagrams
>>
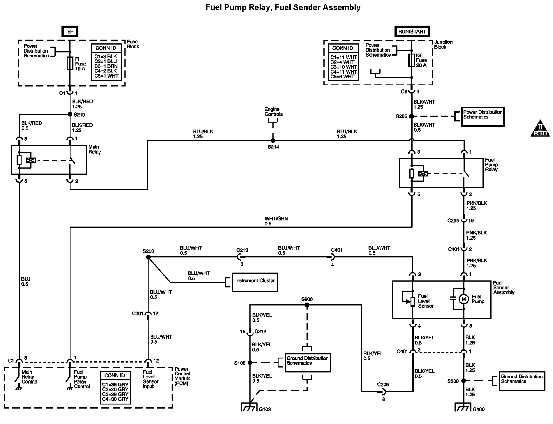
Engine Controls Diagram 8
Engine Controls Diagram 8
Engine Controls Diagram 8:
Next Diagram
Engine Controls Diagram 9
Previous Diagram
Engine Controls Diagram 7