Curiosii for ever!: Car repair manuals for everyone.

Electrical Diagrams

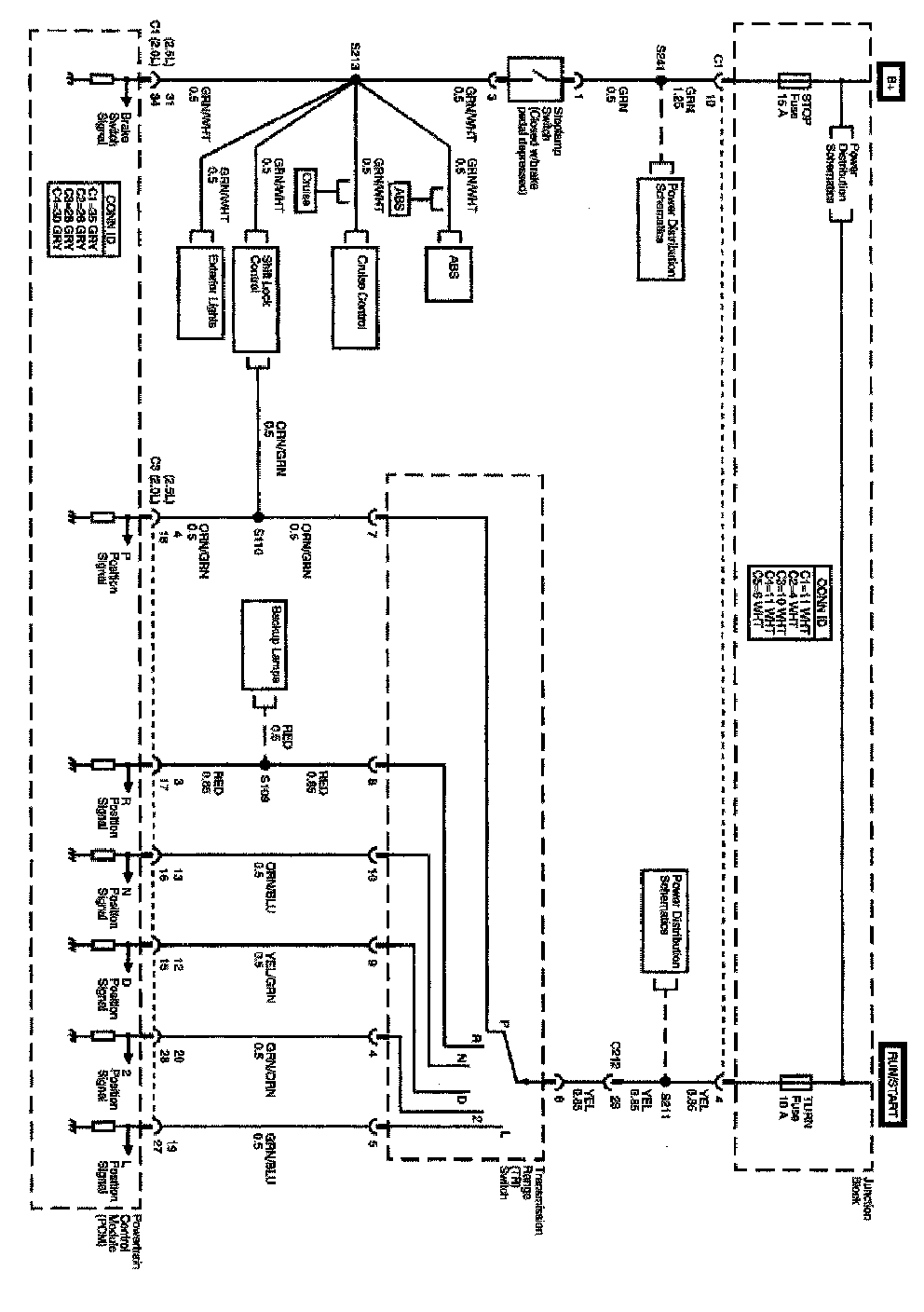
Automatic Transmission Controls Diagrams (Transmission Range Switch):



Automatic Transmission Control Diagrams (Four Wheel Drive Switch, Output Shaft Speed Sensor, Input Shaft Speed Sensor, Torque Converter Clutch (TCC) Solenoid):



Automatic Transmission Controls Diagrams (Shift Program Switch, Overdrive Switch):