Curiosii for ever!
: Car repair manuals for everyone.
Home
>>
Chevy Truck
>>
2004
>>
Tracker 2WD L4-2.0L VIN C
>>
Repair and Diagnosis
>>
Powertrain Management
>>
Diagrams
>>
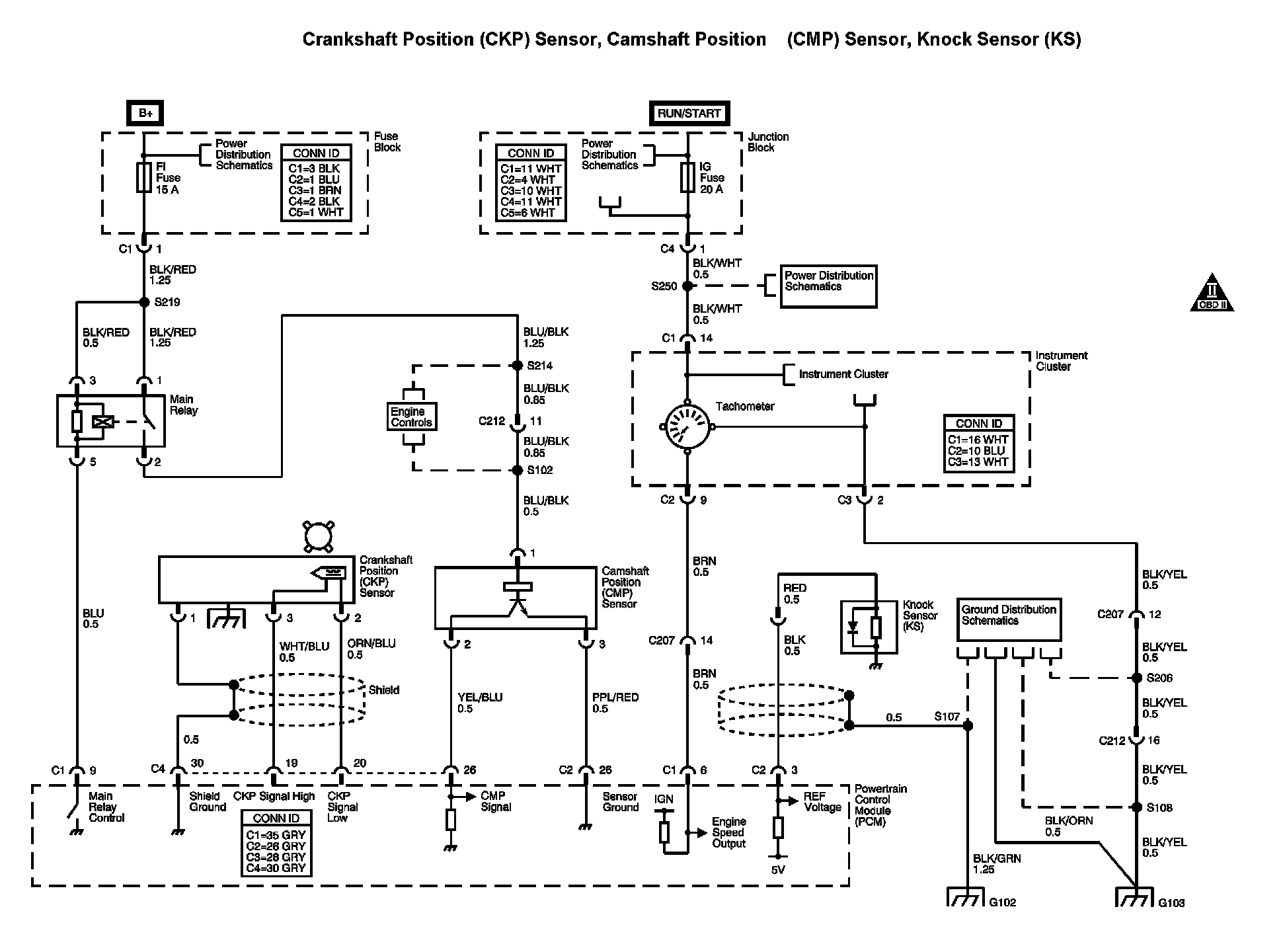
Engine Controls Diagram 9
Engine Controls Diagram 9
Engine Controls Diagram 9:
Next Diagram
Engine Controls Diagram 10
Previous Diagram
Engine Controls Diagram 8