Curiosii for ever!: Car repair manuals for everyone.

Coolant Temperature Sensor/Switch (For Computer): Service and Repair

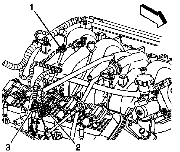
ENGINE COOLANT TEMPERATURE (ECT) SENSOR REPLACEMENT

REMOVAL PROCEDURE

NOTE: Use care when handling the coolant sensor. Damage to the coolant sensor will affect the operation of the fuel control system.




1. Drain the cooling system to a level below the engine coolant temperature (ECT) sensor.
2. Disconnect the ECT sensor electrical connector (3).




3. Remove the ECT sensor electrical connector from the oil fill tube bracket.




4. Remove the ECT sensor.

INSTALLATION PROCEDURE




1. If installing the old sensor, coat the threads with sealant GM P/N 12346004 (Canadian P/N 10953480) or equivalent.

NOTE: Refer to Fastener Notice in Service Precautions.




2. Install the ECT sensor.

Tighten
Tighten the sensor to 50 N.m (37 lb ft).

3. Install the ECT sensor electrical connector to the oil fill tube bracket.




4. Connect the ECT sensor electrical connector (3).
5. Refill the cooling system.