Curiosii for ever!
: Car repair manuals for everyone.
Home
>>
Chevy Truck
>>
2004
>>
Silverado 2500 2WD V8-8.1L VIN G
>>
Repair and Diagnosis
>>
Heating and Air Conditioning
>>
Locations
>>
HVAC System - Automatic
>>
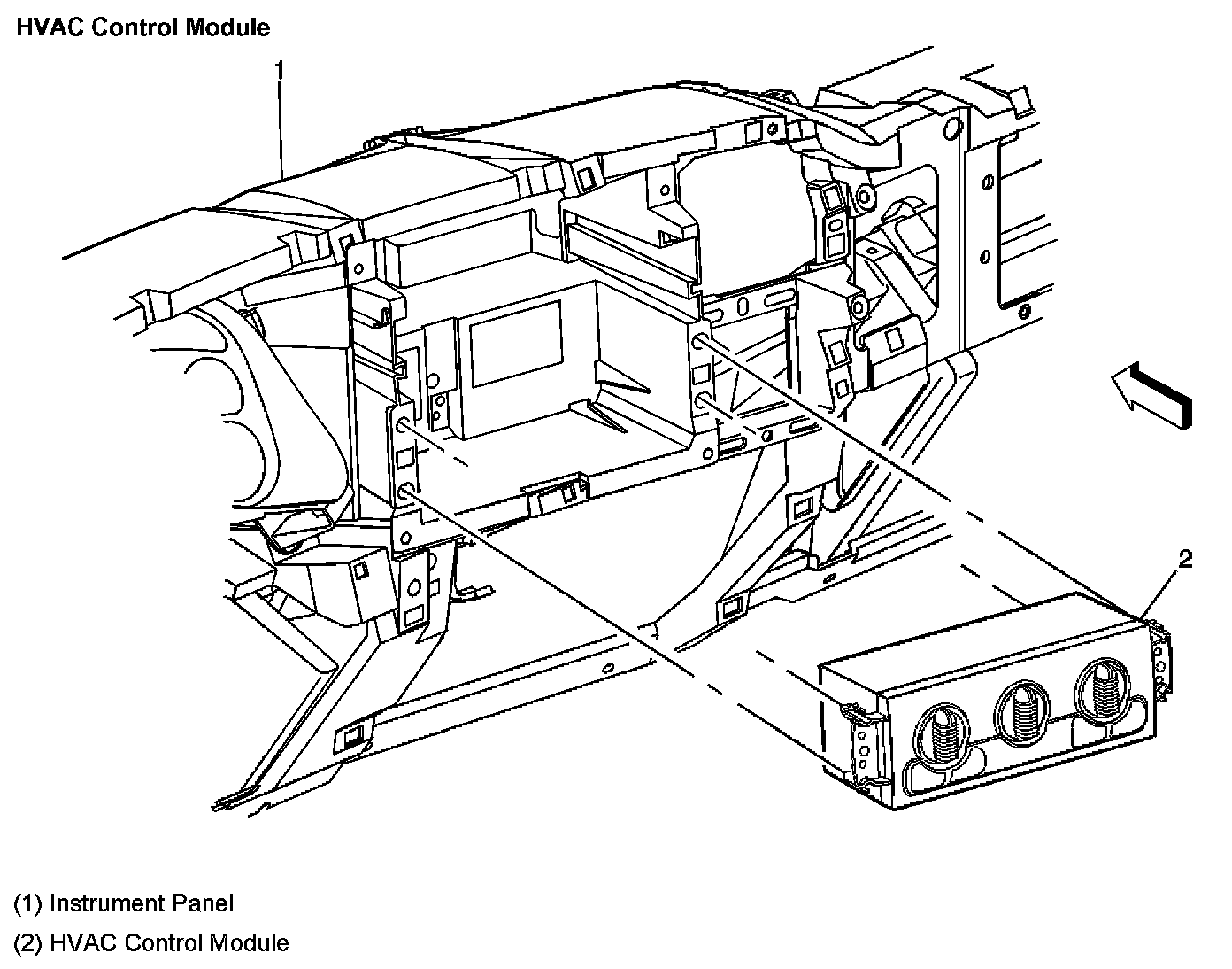
HVAC Control Module
HVAC Control Module
HVAC Control Module: