Curiosii for ever!
: Car repair manuals for everyone.
Home
>>
Chevy Truck
>>
2004
>>
SSR V8-5.3L VIN P
>>
Repair and Diagnosis
>>
Relays and Modules
>>
Relays and Modules - Body and Frame
>>
Door Module
>>
Locations
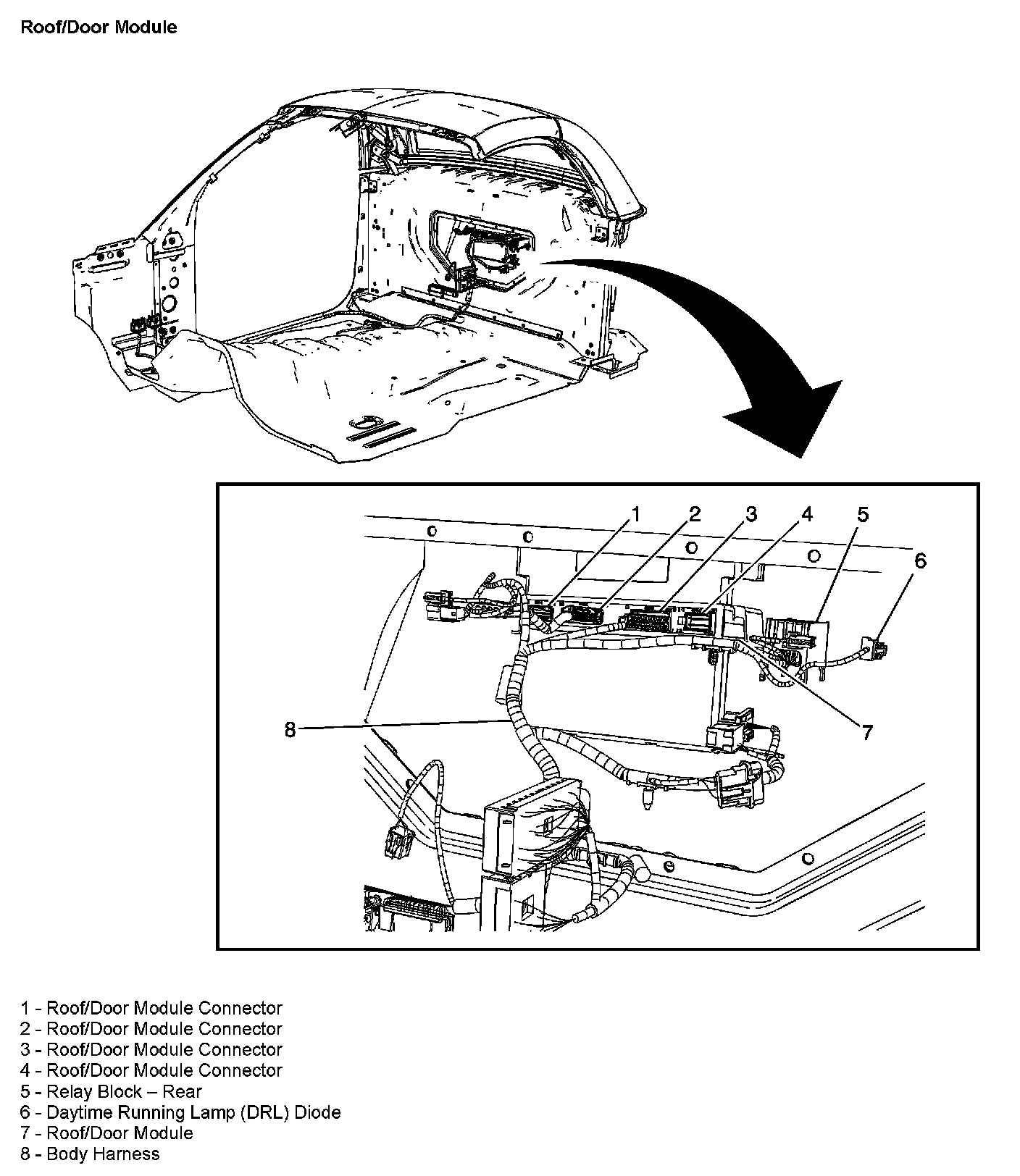
Door Module: Locations
Roof/Door Module:
Body Harness Routing/Components Views: