Curiosii for ever!: Car repair manuals for everyone.

Knock Sensor: Service and Repair

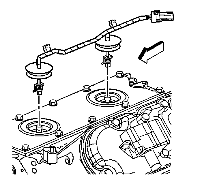
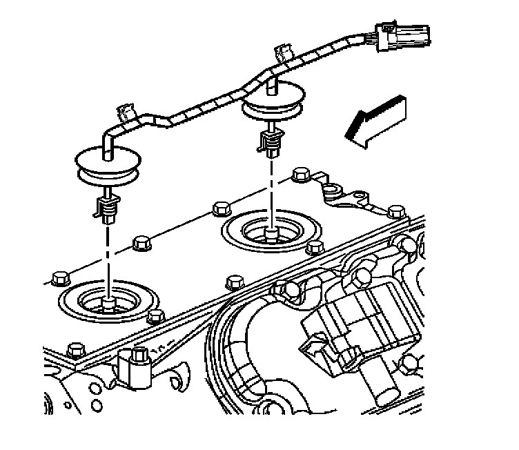
KNOCK SENSOR (KS) REPLACEMENT

REMOVAL PROCEDURE




1. Remove the intake manifold.
2. Remove the KS wiring harness assembly.




3. Remove the KS.

INSTALLATION PROCEDURE

NOTE: Refer to Fastener Notice in Service Precautions.




1. Install the KS.

Tighten
Torque the sensor to 20 N.m (15 lb ft).




2. Install the KS wiring harness assembly.
3. Install the intake manifold.