Curiosii for ever!: Car repair manuals for everyone.

Knock Sensor: Service and Repair

KNOCK SENSOR (KS) REPLACEMENT

REMOVAL PROCEDURE
The knock sensor (KS) is located at the top rear of the engine.

CAUTION: Refer to Battery Disconnect Caution in Service Precautions.

1. Disconnect the negative battery cable.
2. Remove the engine cover.




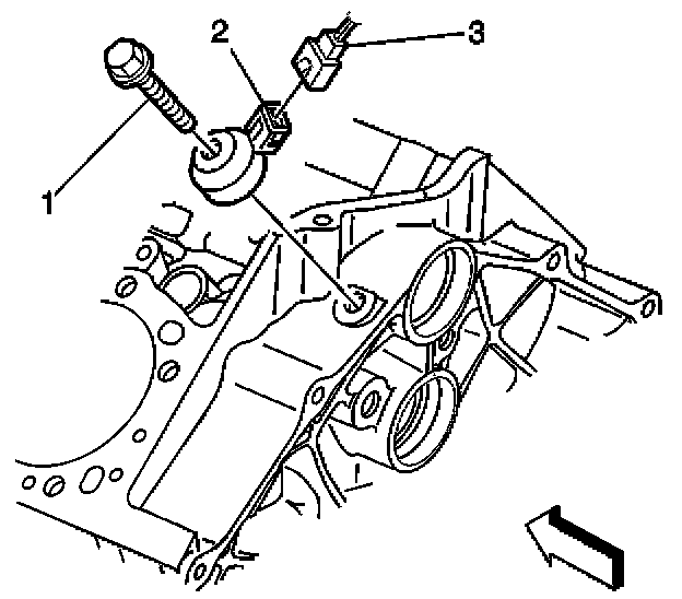
3. Disconnect the KS harness connector (3).
4. Remove the KS bolt (1).
5. Remove the KS (2).

INSTALLATION PROCEDURE

NOTE: Refer to Component Fastener Tightening Notice in Service Precautions.




1. Install the knock sensor (2) and bolt (1).

Tighten
Tighten the knock sensor bolt to 25 N.m (18 lb ft).

2. Connect the KS harness connector (3).
3. Install the engine cover.