Curiosii for ever!: Car repair manuals for everyone.

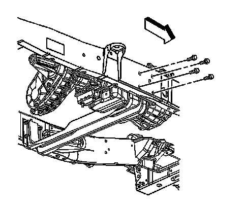
Transmission Support Replacement



Transmission Support Replacement

Removal Procedure




1. Raise the vehicle. Refer to Lifting and Jacking the Vehicle (Service and Repair).
2. Support the transmission with a safety stand.
3. Remove the brake combination valve to transmission support mounting bolt.




4. Remove the fuel filter bracket to transmission support retaining bolts.




5. Remove the transmission mount to the transmission support retaining nut, for RWD vehicles.




6. Remove the transmission mount to the transmission support retaining nuts, for 4WD vehicles.




7. Remove the transmission support to the frame mounting bolts.
8. Remove the transmission support from the vehicle.

Installation Procedure




1. Install the transmission support to the vehicle.

Notice: Refer to Fastener Notice in Service Precautions.

2. Install the transmission support to the frame mounting bolts.

* Tighten the bolts to 50 N.m (66 lb ft), except Cutaway.
* Tighten the bolts to 65 N.m (48 lb ft), Cutaway.




3. Install the transmission mount to the transmission support retaining nuts, for 4WD vehicles.

Tighten the nuts to 60 N.m (44 lb ft).




4. Install the transmission mount to the transmission support retaining nut, for RWD vehicles.

Tighten the nut to 60 N.m (44 lb ft).




5. Install the fuel filter bracket to transmission support retaining bolts.

Tighten the bolts to 30 N.m (22 lb ft).




6. Install the brake combination valve to transmission support mounting bolt.

Tighten the bolt to 10 N.m (89 lb in).

7. Remove the safety stands.
8. Lower the vehicle.