Curiosii for ever!: Car repair manuals for everyone.

Transfer Case Encoder Motor Replacement

Transfer Case Encoder Motor Replacement

Removal Procedure





1. Raise and support the vehicle.
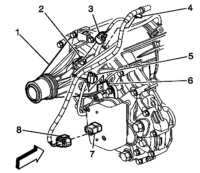
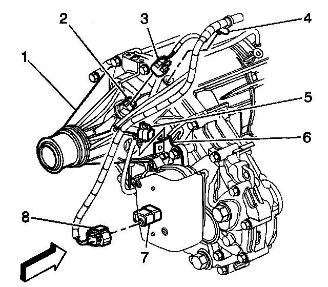
2. Disconnect the following from the encoder motor (7):
^ The electrical connector (8)
^ The vent hose





3. Remove the encoder motor mounting bolts.
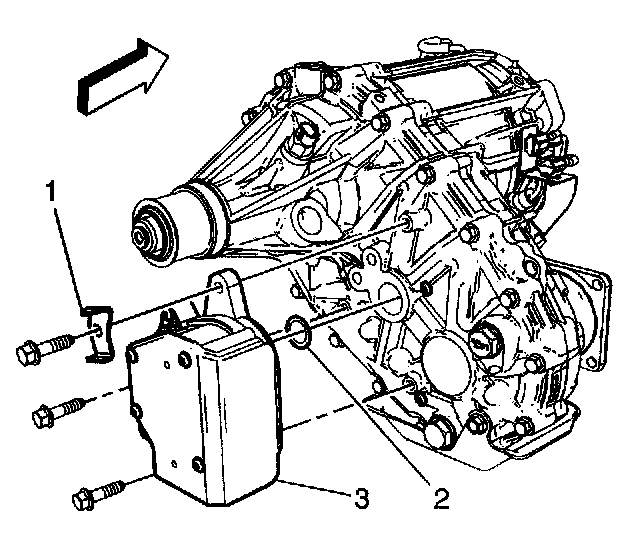
4. Remove the encoder motor (3) and O-ring seal (2) from the transfer case. Discard the O-ring seal (2).

Installation Procedure

Important: The actuator shaft in the transfer case may require rotating to the neutral position prior to installing the encoder motor. Do not rotate the actuator shaft using the encoder motor.





1. Lightly lubricate the NEW O-ring seal (2) with clean transfer case fluid.
2. Insert the O-ring seal (2) into the transfer case.

Important: Ensure the encoder motor is seated flat against the transfer case.

3. Position the encoder motor (3) to the transfer case, aligning the actuator shaft.

Notice: Refer to Fastener Notice in Service Precautions.

4. Install the encoder motor mounting bolts, with the heated oxygen sensor bracket (1).
^ Tighten the encoder motor mounting bolts to 22 Nm (16 ft. lbs.).





5. Connect the following to the encoder motor (7):
^ The electrical connector (8)
^ The vent hose
6. Lower the vehicle.