Curiosii for ever!: Car repair manuals for everyone.

Crankshaft Position Sensor: Service and Repair

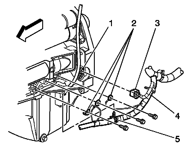
CRANKSHAFT POSITION (CKP) SENSOR REPLACEMENT

REMOVAL PROCEDURE
1. Raise and support the vehicle. Refer to Vehicle Lifting.




2. Disconnect the engine wiring harness electrical connector (3) from the crankshaft position (CKP) sensor (1).




3. Remove the CKP sensor bolt.
4. Remove the CKP sensor from the engine block. Discard the O-ring seals.

INSTALLATION PROCEDURE
1. Install new O-ring seals to the CKP sensor.
2. Lightly lubricate the O-ring seals with clean engine oil.




3. Install the CKP sensor into the engine block.
4. Add sealer GM P/N 12346004 (Canadian P/N 10953480) to the CKP sensor bolt threads.

NOTE: Refer to Fastener Notice in Service Precautions.

5. Install the CKP sensor bolt.

Tighten
Tighten the CKP sensor bolt to 10 N.m (89 lb in).




6. Connect the engine wiring harness electrical connector (3) to the CKP sensor (1).
7. Lower the vehicle.
8. Perform the CKP System Variation Learn Procedure. Programming and Relearning