Curiosii for ever!: Car repair manuals for everyone.

Variable Valve Timing Solenoid: Service and Repair




CAMSHAFT POSITION (CMP) ACTUATOR SOLENOID VALVE REPLACEMENT

REMOVAL PROCEDURE





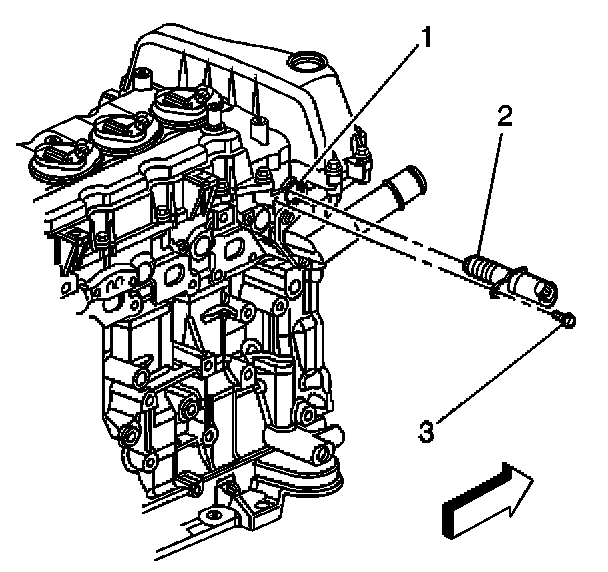
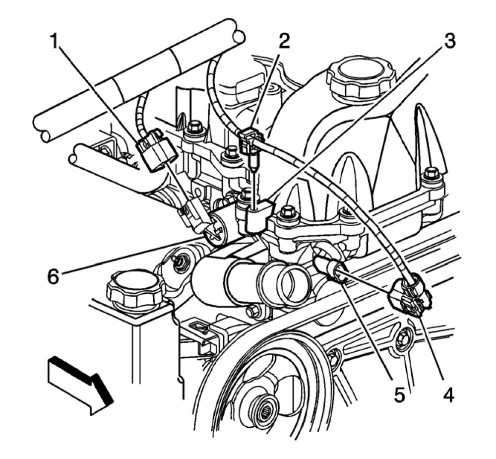
1. Disconnect the engine wiring harness electrical connector (1) from the camshaft position (CMP) actuator solenoid valve (6).





2. Remove the CMP actuator valve bolt (3).
3. Remove the CMP actuator solenoid valve (2) from the cylinder head.
Discard the O-ring seal.
4. Clean debris from the hole (1).

INSTALLATION PROCEDURE





1. Install a new O-ring seal to the actuator solenoid valve (2).
2. Lightly lubricate the O-ring seal with clean engine oil.
3. Install the CMP actuator solenoid valve (2) into the cylinder head.

NOTE: Refer to Fastener Notice in Cautions and Notices.

4. Install the camshaft position actuator valve bolt (3).

Tighten
Tighten the CMP actuator solenoid valve bolt to 10 N.m (89 lb in).





5. Connect the engine wiring harness electrical connector (1) from the camshaft position (CMP) actuator solenoid valve (6).