Curiosii for ever!: Car repair manuals for everyone.

Oil Pressure Sensor: Service and Repair

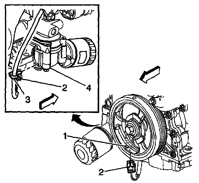
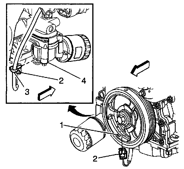
Engine Oil Pressure Sensor and/or Switch Replacement

Removal Procedure





1. Raise and support the vehicle.
2. Disconnect the engine wiring harness electrical connector (2) from the oil pressure switch (1).





3. Remove the engine oil pressure switch.

Installation Procedure

Notice: Refer to Component Fastener Tightening Notice in Service Precautions.





1. Install the engine oil pressure switch.
^ Tighten the oil pressure switch to 20 Nm (15 ft. lbs.).





2. Connect the engine wiring harness electrical connector (2) to the oil pressure switch (1).
3. Lower the vehicle.