Curiosii for ever!: Car repair manuals for everyone.

Camshaft Position Sensor: Service and Repair

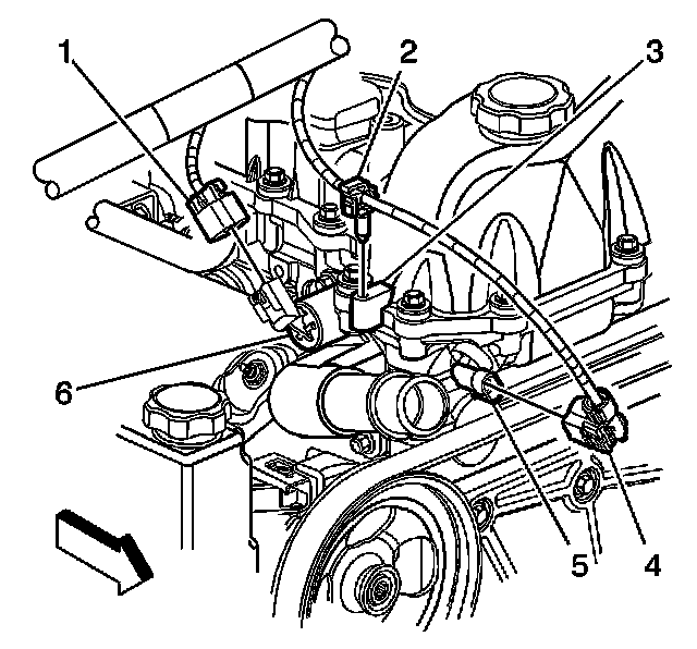
CAMSHAFT POSITION (CMP) SENSOR REPLACEMENT-EXHAUST

REMOVAL PROCEDURE




1. Disconnect the engine wiring harness electrical connector (4) from the exhaust camshaft position (CMP) sensor (5).




2. Remove the exhaust CMP sensor retaining bolt.
3. Remove the exhaust CMP sensor from the cylinder head. Discard the O-ring seal.

INSTALLATION PROCEDURE
1. Install a new O-ring seal to the exhaust CMP sensor.
2. Lightly lubricate the O-ring seal with clean engine oil.




3. Install the exhaust CMP sensor into the cylinder head.

NOTE: Refer to Fastener Notice in Service Precautions.

4. Install the exhaust CMP sensor bolt.

Tighten
Tighten the CMP sensor bolt to 10 N.m (89 lb in).




5. Connect the engine wiring harness electrical connector (4) to the exhaust CMP sensor (5).