Curiosii for ever!: Car repair manuals for everyone.

Oil Pressure Sensor: Service and Repair

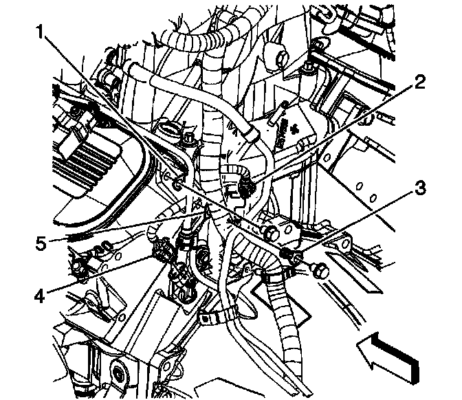
Engine Oil Pressure Sensor and/or Switch Replacement

Tools Required
- J41712 Oil Pressure Sensor Socket

Removal Procedure
1. Remove the engine sight shield.





2. Disconnect the oil pressure sensor electrical connector (2).





3. Using J41712 or equivalent, remove the oil pressure sensor.

Installation Procedure





1. Apply sealant GM P/N 12346004 (Canadian P/N 10953480), or equivalent, to the threads of the oil pressure sensor.

Notice: Refer to Fastener Notice in Service Precautions.

2. Using J41712 or equivalent, install the oil pressure sensor.
Tighten the sensor to 30 Nm (22 ft. lbs.).





3. Connect the oil pressure sensor electrical connector (2).
4. Install the engine sight shield.