Curiosii for ever!
: Car repair manuals for everyone.
Home
>>
Chevy Truck
>>
2004
>>
Avalanche 1500 4WD V8-5.3L VIN T
>>
Repair and Diagnosis
>>
Cruise Control
>>
Cruise Control Module
>>
Locations
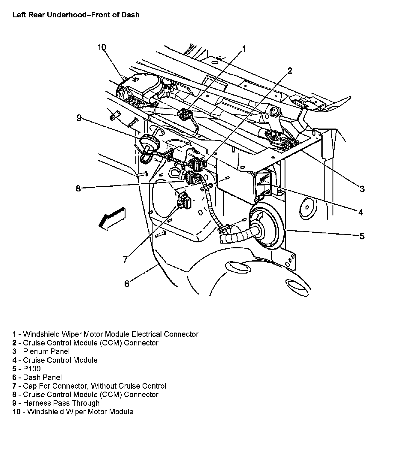
Cruise Control Module: Locations
Left Rear Underhood - Front Of Dash:
Liftgate (With RPO Code E52):