Curiosii for ever!: Car repair manuals for everyone.

Ignition Coil: Service and Repair

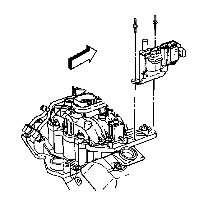
IGNITION COIL(S) REPLACEMENT

REMOVAL PROCEDURE
1. Remove the engine cover.
2. Disconnect the electrical connectors.
3. Remove the ignition coil wire to the distributor.




4. Remove the studs holding the bracket and the ignition coil to the intake manifold.
5. Remove the bracket and the ignition coil.
6. Drill and punch out the two rivets holding the ignition coil to the bracket.
7. Remove the ignition coil from the bracket.

INSTALLATION PROCEDURE

IMPORTANT: A replacement ignition coil kit comes with 2 screws in order to attach the ignition coil to the bracket.

1. Install the ignition coil to the bracket with the 2 screws.

NOTE: Refer to Fastener Notice in Service Precautions.




2. Install the ignition coil and the bracket to the intake manifold with studs.

Tighten
Tighten the studs to 11 Nm (97 lb in.).




3. Install the ignition coil wire.
The wire must not touch anything like the dip stick. Rubbing will make a ground or short after time of use.
4. Install the electrical connectors.
5. Install the engine cover.