Curiosii for ever!: Car repair manuals for everyone.

Ignition Cable: Service and Repair

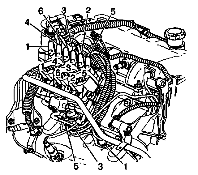
SPARK PLUG WIRE REPLACEMENT

REMOVAL PROCEDURE
1. Turn OFF the ignition.




2. Remove the spark plug wires (2, 4, 6) from the front bank spark plugs.

NOTE: Twist the spark plug boot one-half turn in order to release the boot. Pull on the spark plug boot only. Do not pull on the spark plug wire or the wire could be damaged.

3. Remove the spark plug wires from the retaining clips.
4. Rotate the engine forward. Refer to Rotating the Engine for Service Access in Engine.




5. Remove the spark plug wires (1, 3, 5) from the rear bank spark plugs.
6. Remove the spark plug wires from the retaining clips.




7. Remove the spark plug wires from the ignition coils.
8. Remove the spark plug wires from the engine.
9. If you are replacing the spark plug wires, transfer any of the following components:
- Boot heat shields
- Spark plug wire conduit
- Spark plug wire retaining clips

INSTALLATION PROCEDURE




1. Install the spark plug wires to the ignition coils.




2. Install the spark plug wires (1, 3, 5) to the rear bank spark plugs.
3. Install the spark plug wires to the retaining clips.
4. Return the engine to the proper position. Refer to Rotating the Engine for Service Access in Engine.




5. Install the spark plug wires (2, 4, 6) to the front bank spark plugs.
6. Install the spark plug wires to the retaining clips.