Curiosii for ever!: Car repair manuals for everyone.

Fuel Tank Pressure Sensor: Service and Repair

REMOVAL PROCEDURE




1. Remove the fuel tank.
2. Disconnect the electrical connector from the fuel tank vapor pressure sensor.
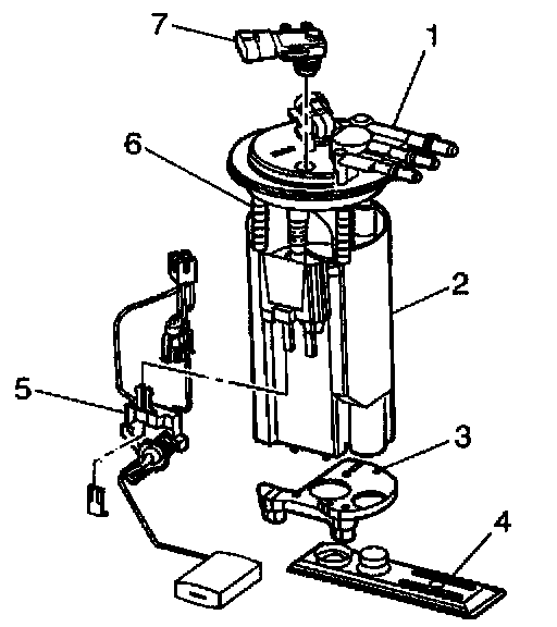
3. Remove the fuel tank pressure (FTP) sensor (7) from the modular fuel sender.

INSTALLATION PROCEDURE




1. Install the new FTP sensor (7) to the modular fuel sender with a new seal.
2. Connect the FTP sensor electrical connector.
3. Install the fuel tank.