Curiosii for ever!: Car repair manuals for everyone.

Fuel Level Sensor: Service and Repair

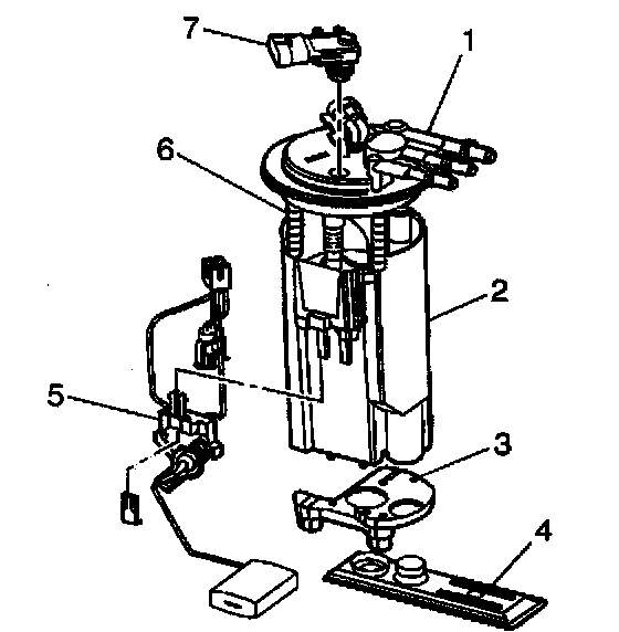
REMOVAL PROCEDURE




1. Remove the fuel sender assembly.
2. Remove the fuel level sensor (5) from the modular fuel sender.

INSTALLATION PROCEDURE




1. Install the fuel level sensor (5) to the modular fuel sender.
2. Install the fuel sender assembly.