Curiosii for ever!: Car repair manuals for everyone.

Crankshaft Position (CKP) Sensor Replacement (Sensor A)

REMOVAL PROCEDURE




1. Turn OFF the ignition.
2. Remove the serpentine drive belt from crankshaft pulley.
3. Raise the vehicle on hoist. Refer to Vehicle Lifting.
4. Remove the crankshaft harmonic balancer.
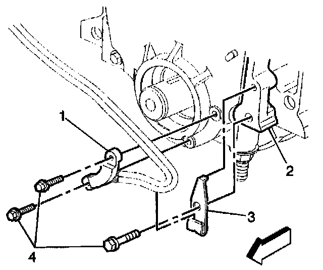
5. Note the routing of the CKP sensor harness before removal.
6. Remove the harness retaining clip (3) with the bolt (4).
7. Disconnect the CKP sensor electrical connector.
8. Remove the sensor bolts (4).
9. Remove the sensor.

INSTALLATION PROCEDURE




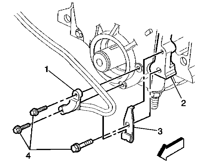
1. Install the 24X CKP sensor with the bolts (4) and route the harness as noted during removal.
2. Install the harness retaining clip (3) with the bolt (4).

NOTE: Refer to Fastener Notice in Service Precautions.

Tighten
Tighten the bolts to 10 N.m (89 lb in).

3. Connect the CKP sensor electrical connector.
4. Install the balancer on the crankshaft.
5. Lower the vehicle.
6. Install the serpentine drive belt.
7. Perform the CKP System Variation Learn Procedure. Programming and Relearning