Curiosii for ever!
: Car repair manuals for everyone.
Home
>>
Chevy Truck
>>
2003
>>
TrailBlazer 4WD L6-4.2L VIN S
>>
Repair and Diagnosis
>>
Transmission and Drivetrain
>>
Transfer Case
>>
Control Module
>>
Locations
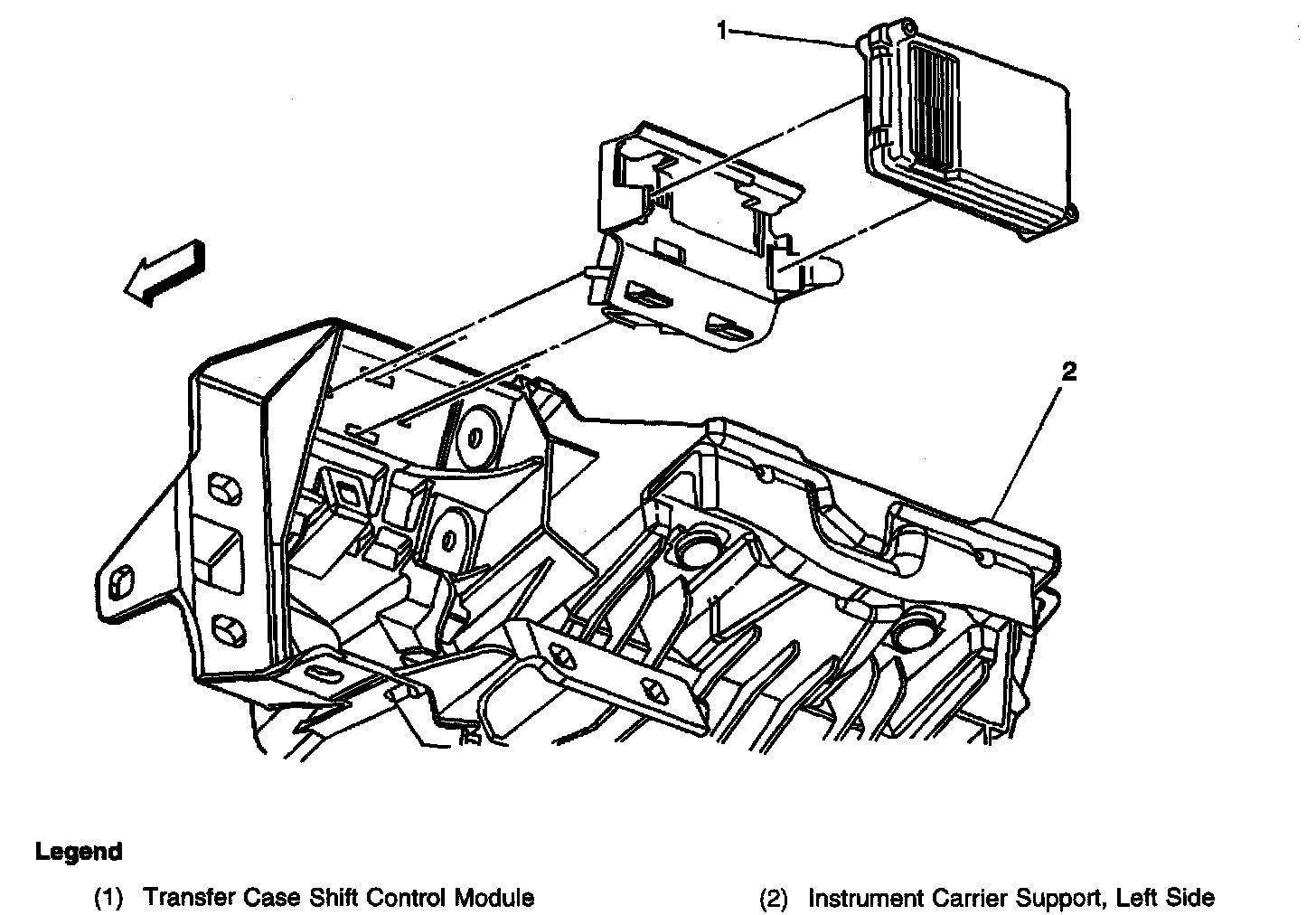
Control Module: Locations
Transfer Case Control Component Views 2: