Curiosii for ever!
: Car repair manuals for everyone.
Home
>>
Chevy Truck
>>
2003
>>
TrailBlazer 4WD L6-4.2L VIN S
>>
Repair and Diagnosis
>>
Diagrams
>>
Electrical Diagrams
>>
Antilock Brakes / Traction Control Systems
>>
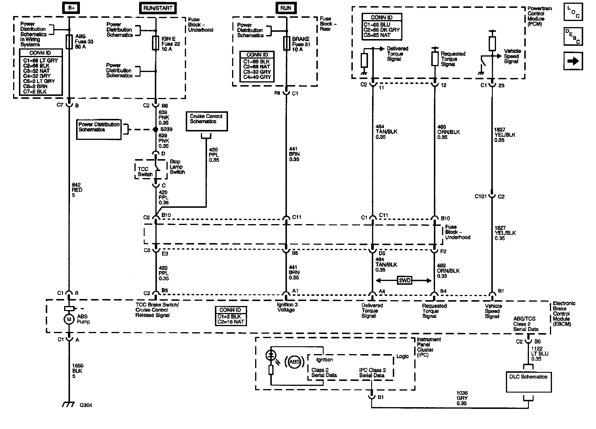
ABS Schematics (Module Power, Ground, Serial Data, Indicator)
ABS Schematics (Module Power, Ground, Serial Data, Indicator)