Engine Control Module: Service and Repair
POWERTRAIN CONTROL MODULE (PCM) REPLACEMENTService of the powertrain control module (PCM) should consist of either replacement of the PCM or programming of the electrically erasable programmable read only memory (EEPROM). If the diagnostic procedures call for the PCM to be replaced, the replacement PCM should be checked to ensure that the correct part is being used. If the correct part is being used, remove the faulty PCM and install the new service PCM. The replacement PCM must be programmed.
Removal Procedure
1. Disconnect the negative battery cable.
NOTE: Refer to Ignition Switch and PCM Connectors Notice in Service Precautions.
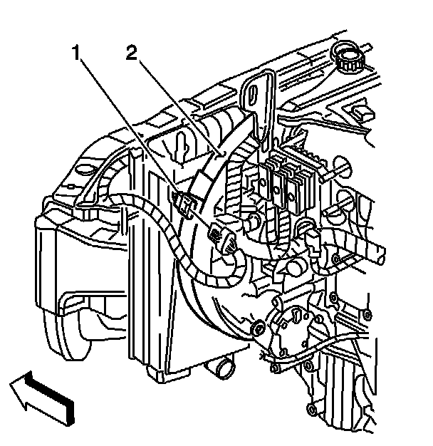
2. Disconnect the cooling fan electrical connector (1) for additional clearance while removing the PCM.
3. Remove the PCM cover retainers.
IMPORTANT: The PCM cover should be flexible enough to hold out of the way while removing the PCM. Remove the PCM cover only if replacing the cover.
4. Remove the PCM cover.
5. Release the spring latch from the PCM.
6. Release the PCM mounting tabs from the PCM.
7. Remove the PCM.
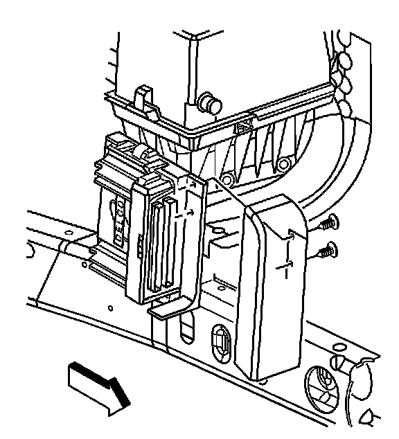
8. Loosen the PCM electrical connector bolts.
IMPORTANT: Remove any debris from around the PCM connector surfaces before servicing the PCM. Inspect the PCM module connector gaskets when diagnosing or replacing the PCM. Ensure that the gaskets are installed correctly. The gaskets prevent contaminant intrusion into the PCM.
NOTE:
- Refer to Ignition Switch and PCM Connectors Notice in Service Precautions.
- Refer to Handling ESD Sensitive Parts Notice in Service Precautions.
9. Disconnect the PCM electrical connectors.
10. Remove the PCM from the vehicle.
Installation Procedure
1. Connect the PCM electrical connectors.
NOTE: Refer to Fastener Notice in Service Precautions.
2. Tighten the PCM electrical connector bolts.
Tighten
Tighten the bolts to 8 N.m (71 lb in).
3. Install the PCM.
4. Ensure that the PCM mounting tabs are engaged.
5. Secure the spring latch to the PCM.
6. Install the PCM cover and cover retainers if previously removed.
7. Connect the cooling fan electrical connector.
8. Connect the negative battery cable.
9. If the PCM was replaced the replacement PCM must be programmed. Refer to Service Programming System (SPS) (Remote Procedure)Service Programming System (SPS) (Pass-Thru Procedure)Service Programming System (SPS) (Off Board Remote Procedure)Service Programming System (SPS) (Off Board Pass-Thru Procedure) In Programming. Programming and Relearning