Curiosii for ever!: Car repair manuals for everyone.

Compressor Replacement





Air Conditioning Compressor Replacement (LM4)

Tools Required

- J 39400-A Halogen Leak Detector

Removal Procedure

1. Recover the refrigerant. Refer to Refrigerant Recovery and Recharging Service and Repair.
2. Remove the washer solvent container. Refer to Windshield Washer Solvent Container Replacement Service and Repair.
3. Remove the air cleaner resonator outlet duct. Refer to Air Cleaner Resonator Outlet Duct Replacement Service and Repair.
4. Remove the cooling fan and shroud. Refer to Cooling Fan and Shroud Replacement Service and Repair.
5. Release the tension on the air conditioning drive belt.
6. Reposition the air conditioning drive belt from the compressor pulley.
7. Remove the compressor hose assembly nut from the compressor.
8. Remove the compressor hose assembly from the compressor.






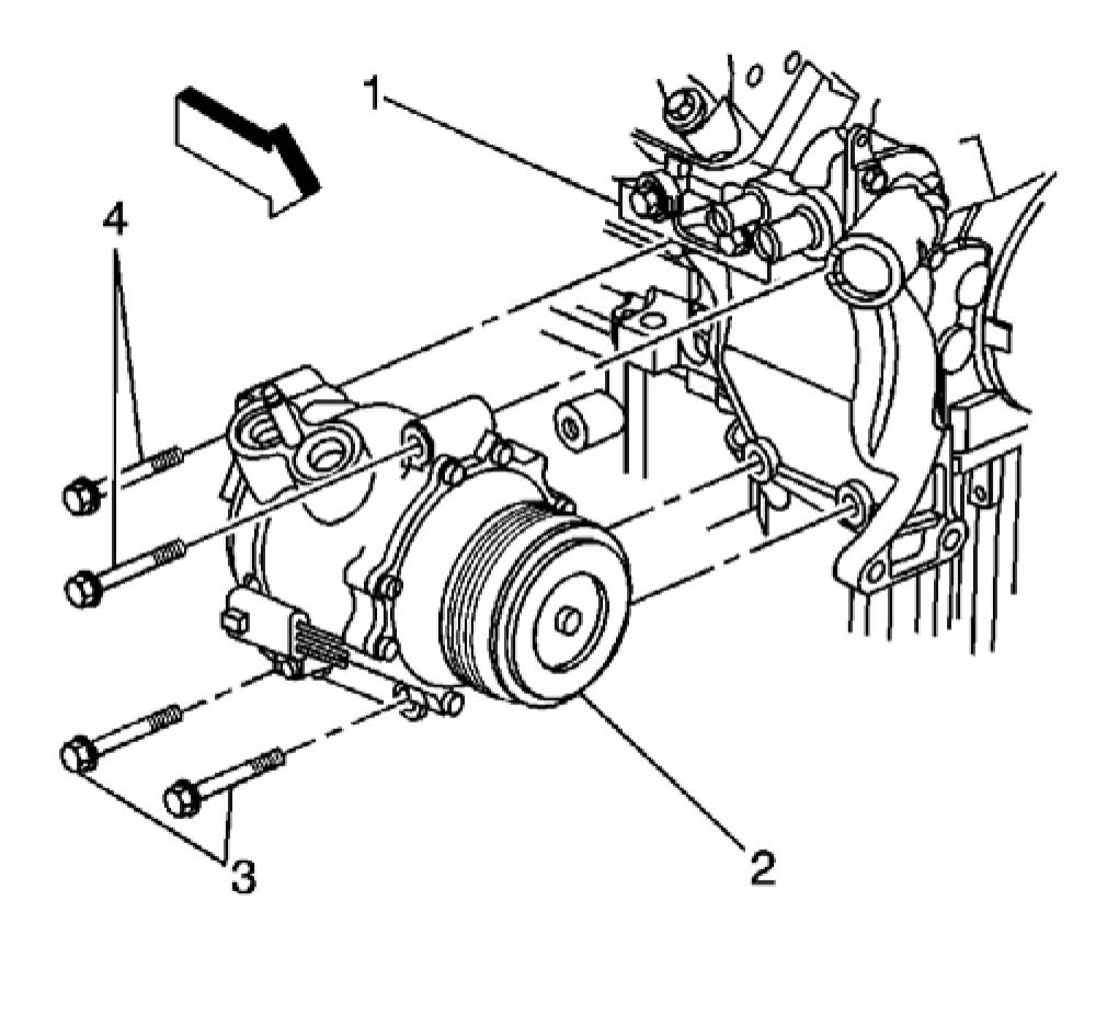
9. Remove the upper A/C compressor mounting bracket bolts.
10. Remove the lower coolant hose. Refer to Radiator Inlet Hose Replacement .
11. Raise the vehicle.
12. Disconnect the electrical connection from the compressor.
13. Turn the right tire to gain access to the remaining compressor mounting bolts.
14. Remove the lower A/C compressor mounting bracket bolts (3).
15. Lower the vehicle.
16. Reposition the compressor and mounting bracket to access the remaining compressor to bracket bolts.
17. Remove the upper A/C compressor mounting bolts (4).
18. Remove the A/C compressor.
19. Remove the A/C compressor bracket.
20. If replacing the A/C compressor. Refer to Air Conditioning Compressor Oil Balancing.

Installation Procedure

1. Add the proper amount of PAG oil to the compressor crankcase. Refer to Air Conditioning Compressor Oil Balancing.
2. Position the A/C compressor mounting bracket partially into the vehicle.
3. Position the A/C compressor partially into the vehicle.

Notice: Use the correct fastener in the correct location. Replacement fasteners must be the correct part number for that application. Fasteners requiring replacement or fasteners requiring the use of thread locking compound or sealant are identified in the service procedure. Do not use paints, lubricants, or corrosion inhibitors on fasteners or fastener joint surfaces unless specified. These coatings affect fastener torque and joint clamping force and may damage the fastener. Use the correct tightening sequence and specifications when installing fasteners in order to avoid damage to parts and systems.

4. Install the upper compressor mounting bolts into the compressor mounting bracket.

Tighten
Tighten the upper rear bolts to 50 Nm (37 lb ft).






5. Install the upper compressor mounting bolts (4) into the compressor and bracket assembly.
6. Position the compressor and bracket assembly into the correct location on the engine.
7. Tighten the upper compressor mounting bolts (4).

Tighten
Tighten the bolts to 50 Nm (37 lb ft).

8. Raise the vehicle
9. Start the lower compressor mounting bolts (3).

Tighten
Tighten the bolts to 50 Nm (37 lb ft).

10. Connect the electrical connector to the A/C compressor.
11. Raise the vehicle.
12. Install the lower coolant hose. Refer to Radiator Inlet Hose Replacement .
13. Install the compressor hose assembly to the compressor.
14. Install the compressor hose assembly nut to the compressor.

Tighten
Tighten the nut to 16 Nm (12 lb ft).

15. Install the accessory drive belt to the tensioner.
16. Install the cooling fan and shroud. Refer to Cooling Fan and Shroud Replacement Service and Repair.
17. Install the air cleaner resonator outlet duct. Refer to Air Cleaner Resonator Outlet Duct Replacement Service and Repair.
18. Install the washer solvent container. Refer to Windshield Washer Solvent Container Replacement Service and Repair.
19. Fill the cooling system. Refer to Cooling System Draining and Filling Service and Repair.
20. Evacuate and recharge the A/C system. Refer to Refrigerant Recovery and Recharging Service and Repair.
21. Leak test the fittings of the component using the J 39400-A.